ciao! Carrello a timone hyster s1.2-28, funziona solo la trazione, il sollevamento no! Se premo il pulsante di salita forche il controllo emette 3 suoni, la centralina é una zapi tipo pico-pimespo' l'indicatore MDI non da nessun tipo di segnalazione allarmi. Avete qualche consiglio? Grazie in anticipo. Ciao. fra
Annuncio
Collapse
No announcement yet.
hyster s1.2-28
Collapse
X
-
Originalmente inviato da fra2376 Visualizza messaggiociao! Carrello a timone hyster s1.2-28, funziona solo la trazione, il sollevamento no! Se premo il pulsante di salita forche il controllo emette 3 suoni, la centralina é una zapi tipo pico-pimespo' l'indicatore MDI non da nessun tipo di segnalazione allarmi. Avete qualche consiglio? Grazie in anticipo. Ciao. fra
Batteria scarica? o meglio troppo scarica che non risale più?
-
Originalmente inviato da fra2376 Visualizza messaggiociao! Carrello a timone hyster s1.2-28, funziona solo la trazione, il sollevamento no! Se premo il pulsante di salita forche il controllo emette 3 suoni, la centralina é una zapi tipo pico-pimespo' l'indicatore MDI non da nessun tipo di segnalazione allarmi. Avete qualche consiglio? Grazie in anticipo. Ciao. fra
Commenta
-
ciao fra2376 hyster lo conosco poco comunque visto che è zapi prova a collegarti con la consoll, probabilmente l'MDI segnala solo guasti trazione e i tre bip bip è il codice allarme sollevamento di solioto io quanto ho questi allarmi strani verifico sempre stato batteria, connessioni, fusibili e portafusibili chiedi cosa significano i tre bip
Commenta
-
Originalmente inviato da PINCOPALLINO2 Visualizza messaggiociao fra2376 hyster lo conosco poco comunque visto che è zapi prova a collegarti con la consoll, probabilmente l'MDI segnala solo guasti trazione e i tre bip bip è il codice allarme sollevamento di solioto io quanto ho questi allarmi strani verifico sempre stato batteria, connessioni, fusibili e portafusibili chiedi cosa significano i tre bip
la batteria nominalmente è 25v, in trazione scende a 23v, direi che è buona, il motore sollevamento ho provato a farlo girare collegandolo diretto alla batteria ed è ok!, il fusibile di potenza è lo stesso della trazione, quindi ok. dovrebbe essere un problema di centralina. comunque mi sono informato e non mi sbagliavo, il carrello assomiglia molto ad un ormic yale.....
Commenta
-
Originalmente inviato da giofi Visualizza messaggiociao fra 2376,controlla la batteria i 3 e suoni sono la batteria scarica o problemi di batteria,controlla con la zapi andando ad adjustment battery il valore impostato mettilo uguale al valore batteria reale,prova ametterlo in carica x un po vedrai che riparte ciao...
grazie x il consiglio, non avresti una ricerca guasti da girarmi? se vuoi possiamo scambiare con altri manuali che ho io.
x quanto riguarda la consolle, purtroppo non ho il cavetto adattatore, hai la piedinatura in modo che me lo costruisco? eprom permettendo......
ciao e grazie ancora!
fra
Commenta
-
Ciao Fra2376 ,
Hyster e yale sono uguali e Ormic vende Yale ( tutto il wherehouse è prodotto a Masate cioè lo stablimento ancora dell'Ormic ) .
se il carrello è la verisone Combi Zapi quando emette tre sibile al sollevamento tipicamente è perchè a la batteria scarica e il bdi dovrebbe dirtelo ( led di indicazione ) ammeno che ci sia un problema sul settaggio o non si sia resettata la discarica con la batteria carica .
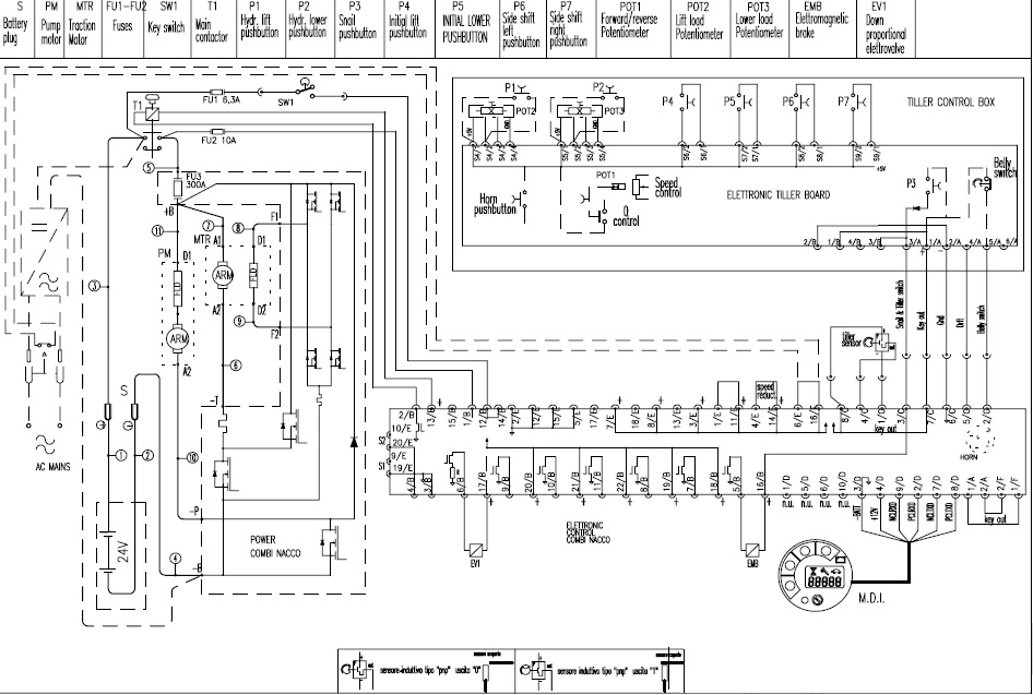
Fra2376 in allegato vedi lo schema , fai un controllo di sicurezza sui collegamnmte tra macchina e schema il connettore D è quello della consol , se attacchi la consol penso possa risolvere con un adjust battery ( simile hai carrelli Pimespo - om ) come correttamnte Giofi ti scrive o vedere se hai altri allarmi .
Ciao
Tugnela
Commenta
-
Originalmente inviato da Tugnela Visualizza messaggioCiao Fra2376 ,
Hyster e yale sono uguali e Ormic vende Yale ( tutto il wherehouse è prodotto a Masate cioè lo stablimento ancora dell'Ormic ) .
se il carrello è la verisone Combi Zapi quando emette tre sibile al sollevamento tipicamente è perchè a la batteria scarica e il bdi dovrebbe dirtelo ( led di indicazione ) ammeno che ci sia un problema sul settaggio o non si sia resettata la discarica con la batteria carica .
Fra2376 in allegato vedi lo schema , fai un controllo di sicurezza sui collegamnmte tra macchina e schema il connettore D è quello della consol , se attacchi la consol penso possa risolvere con un adjust battery ( simile hai carrelli Pimespo - om ) come correttamnte Giofi ti scrive o vedere se hai altri allarmi .
Ciao
Tugnela
sto effettuando dei cicli di ricarica della batteria e poi vi farò sapere!
ciao
fra
Commenta
-
ciao...
Con quei carrelli se spegni la chiave o stacchi il fungo mentre stai sollevando il combi resetta il valore di tensione della batteria(oppure se per un guasto manca l' alimentazione mentre stai sollevando)...
come ti ha già detto l' amico di prima devi entrare con la consolle zapi ed inserire il valore corretto in adjust battery, spegni - riaccendi e va'.
Ciao!
Commenta
Commenta