MMT Forum Macchine

Annuncio

Collapse
No announcement yet.

Motori idraulici (orbitali?)

Collapse
X
 
  • Filtro
  • Data
  • Visualizza
Cancella tutto
new posts

  • Motori idraulici (orbitali?)

    Mi chiedevo come mai nelle macchine idrauliche si utilizzino prevalentemente motori a pistoni assiali; in particolare, perchè non si utilizzano i motori orbitali che mi sembrano 1)più robusti 2)più semplici 3)maggior rapporto coppia/massa 4)più piccoli.

    Inoltre che differenze costruttive ci sono tra un motore a pistoni assiali e una pompa dello stesso tipo?

    C'è qualcuno in provincia di como-varese-milano che si occupa della revisione di questi organi?

  • #2
    Ciao e benvenuto.

    Bell'argomento...solo che io potrò solo imparare dalle risposte che ti daranno altri perchè in materia non sono proprio molto preparato.
    Comunque io sono di Busto Arsizio...vedo d'informarmi se qui ci sono meccanici che revisionano questi organi.
    Io ne avrei uno ma...cosa dovresti fare esattamente??
    Operatore...fiero di esserlo

    Commenta


    • #3
      Aldo qua mi sa che non ci rispondono, non hanno voglia (o non sanno? ).


      Mi interessa perchè sono APPASSIONATO di meccanica e, per approfondire mi colleziono i pezzi che i meccanici sostituiscono.
      Ecco uno dei miei pezzi più belli...
      Attached Files

      Commenta


      • #4
        Motori orbitali vs pistoni

        Non sono uno specialista..ma ho avuto a che fare con questi motori su macchinari.
        Penso sia dovuto al fatto che gli orbitali non lavorano bene al di sotto di un numero di giri minimo; mentre i motori a pistoni possono partire da zero giri...

        Commenta


        • #5
          ciao

          ben venuto un motore a pistoni assiali e una pompa dello stesso tipo,la loro struttura e' identica e puo' diventare motore opompa se riceve o cede il fluido.se riceve e' chiamato motore perche' servira' a generare un moto riotatorio e cede il fluido e' una pompa ,lo cedera' ad un attuatore esempio pistone,motore ,trasmissionre.
          per motore orbitale che intendi?nn sono abituato a sentire chiamare cosi' i motori oleodinamici.

          p.s in teoria si chiamerebbero oleodinamici nn idraulici,perche' per idraulica si intende sempre l'acqua .max

          Commenta


          • #6
            X maxstralis
            Si in effetti hai ragione ma la parola oleodinamico è talmente lunga...
            Qui comunque sento molto usare il termine idraulico inteso come oleod...
            Si ma se uno compra un motore o una pompa di pari cilindrata gli danno lo stesso oggetto o ci sono delle piccole differenze?

            I motori orbitali sarebbero i motori geroler (alcuni meccanici li chiamano a ingranaggi interni)
            Cavolo ne fanno di 8kg con 300cc e 600Nm, come fa un pistoni assiali a competere?
            Attached Files

            Commenta


            • #7
              Originalmente inviato da ppjbcol
              X maxstralis

              Si ma se uno compra un motore o una pompa di pari cilindrata gli danno lo stesso oggetto o ci sono delle piccole differenze?
              Da un punto di vista concettuale é giusto , un impianto oleodinamico é composto da pompe e valvole ...anche i cilindri sono sempre pompe...
              però in pratica é diverso , la pompa che mette il fluido in pressione é quasi sempre ad ingranaggi, e lavora in modo quasi continuativo a regime fisso (specie quando sono azionate da motori elettrici) , i mezzi per sfruttare l'energia del fluido in pressione sono diversi ..pistoni, motori a pistoni , motori orbitali , motori ad ingranaggi e credo anche a turbine..


              Originalmente inviato da ppjbcol
              I motori orbitali sarebbero i motori geroler (alcuni meccanici li chiamano a ingranaggi interni)
              Cavolo ne fanno di 8kg con 300cc e 600Nm, come fa un pistoni assiali a competere?
              Perché in questi motori il rendimento e la coppia precipita scendendo sotto un determinato numero di giri... quindi o ci metti un riduttore (che costa e pesa) oppure cambi tipo di motore.
              Un motore ad ingranaggi ha anche un rendimento più alto , ma lavora da 300 RPM in su...

              Ah..tutte cose "assorbite" lavorando, quindi correggete pure se ci sono errori!

              Commenta


              • #8
                Vi state gestendo questo argomento in maniera perfetta ... non c'è che dire se non ... complimenti !!!
                L'unico appunto che mi sento di fare è la mancanza di riferimenti particolareggiati .... motori orbitali o motori a pistoni assiali in che senso ed in quale applicazione specifica, non dimenticate che ci sono molteplici casi di applicazione di questi motori !!!
                Interessante il discorso sui motori a pistoni assiali, soprattutto se esteso all'abbinamento con pompe a portata variabile ..... che ne dite ?
                Scusate se posto poco ma debbo scrivere solo con la mano sx a causa ingessatura braccio dx .... non me ne vogliate se ultimemente partecipo poco
                Paolo Raffaelli

                Commenta


                • #9
                  grazie giorgio. Quindi è solo questione di rendimento ai bassi regimi. e d'altronde se ci metti il riduttore non puoi ottenere alti regimi in uscita.

                  In effetti per muovere un escavatore è meglio un motore con buona coppia in partenza...
                  Voi su cosa li impiegate i motori orbitali?
                  Di dove sei?

                  Commenta


                  • #10
                    Originalmente inviato da ppjbcol
                    grazie giorgio. Quindi è solo questione di rendimento ai bassi regimi. e d'altronde se ci metti il riduttore non puoi ottenere alti regimi in uscita.

                    In effetti per muovere un escavatore è meglio un motore con buona coppia in partenza...
                    Voi su cosa li impiegate i motori orbitali?
                    Di dove sei?
                    Io sono di Padova ..ma metà Cadorino , i motori orbitali gli usiamo su dei mescolatori
                    per riciclare rifiuti di materiale plastico;

                    Ci siamo arrivati dopo aver provato un pò di tutto (Inverter, motori CC, motori a ingranaggi+riduttore ecc.) perché non c'erano ( nemmeno adesso) esperienze simili ...ho visto che i motori orbitali si prestano bene a girare fra i 40 ed i 100 rpm e sopportano bene vibrazioni e allineamenti - il nostro lavoro non é sporco come in un cantiere ....di più !


                    mi sto avvicinando al mondo MMT sia perché abbiamo sempre più richieste di fare degli impianti semoventi/scarrabili da posizionare in discarica o dove si devono fare bonifiche , sia perché stiamo iniziando a pensare al riuso dei fanghi dei cantieri/cave/miniere.

                    Ah, scusa il ritardo nella risposta!

                    Commenta


                    • #11
                      Figurati anzi grazie per la risposta a dir poco esauriente!
                      Ti farei (molte) altre domande ma poichè da domani sarò uccel di bosco fino a settembre, ti lascio in pace!

                      BUONE VACANZE A TUTTI (E FATE TANTE FOTO)

                      Commenta


                      • #12
                        A suo tempo mi ero dimenticato di chiedere: quanto a durata come è messo questo tipo di motori? durano di più o di meno di quelli ad ingranaggi? e in termini di rumorosità? e in termini di costo? insomma ditemi tutto!

                        Commenta


                        • #13
                          I motori orbitali sono molto robusti ed affidabili. Sopportano sporco e cavitazione. Di contro hanno rendimenti relativamente bassi. Le cilindrate vanno da 12 a 1000 c.c. circa. Giri minimi 10, giri massimi da 300 a 600, tanto più alti quanto più piccola la cilidrata. Pressioni massime da 140 a 250 bar, in funzione della tipologia costruttiva. Leader incontrastato del settore la danese Danfoss. Poi Char-Lynn (l'unica a realizzare anche motori a due velocità), Sam Hydraulic (gruppo Brevini), TRW, White, ecc...
                          Le unità a pistoni (pompe e motori) hanno altissimi rendimenti. Delicati per sporco e cavitazione. Giri minimi 100, giri massimi fino a 4000 al minuto. Pressioni massime fino a 400 bar. Cilindrate da 5 a 1000, ma tipicamente da 28 a 250 cc. Esistono sia in versione a cilindrata fissa sia a cilindrata variabile con continuità. Queste ultime hanno una vastissima gamma di controlli e regolazioni di pressione e portata. Leader Rexroth, Parker (ex Volvo), Linde, Eaton (comprende Vickers).
                          Le tipologie di applicazione sono completamente diverse, per giri, pressione, rendimento ed eventuale necessità di controllo e regolazione. Tipicamente, gli orbitali su impieghi medi in macchine agricole o azionamenti ausiliari. Unità a pistoni per impieghi di potenza su macchine industriali, ove sia richiesta prestazione, affidabilità, durata. Costi notevolmente più alti.
                          Le pompe a pistoni nascono per girare in un solo senso (dx o sn) quindi hanno una grossa bocca di aspirazione ed una più piccola bocca di mandata. I motori a pistoni sono bidirezionali (come gli orbitali) ed hanno quindi le due bocche uguali. Per il resto, le "budella" sono praticamente identiche, salvo le sbaffature sulle piastre di distribuzione, ottimizzate a seconda che si tratti di pompa o di motore.
                          Ultima domanda: rispetto agli ingranaggi, gli orbitali durano di più, costano di più, spuntano molto meglio alla partenza. Tieni presente che un motore ad ingranaggi difficilmente gira sotto i 500 giri/min e fa sempre fatica a spuntare sotto coppia. Anche qui parliamo di campi di applicazione diversi.

                          Commenta


                          • #14
                            Grazie Renotcha! Una risposta con fiocchi e controfiocchi! Ho visto che la danfoss produce motori orbitali anche molto grossi, sai a cosa possono essere applicati?

                            E invece dei motori a palette cosa mi sai dire? immagino che siano i più adatti a piccole rotazioni con buona coppia di spunto, perchè li ho visti applicati alla rotazione dei polipi per rottami...???

                            Commenta


                            • #15
                              Un esempio di orbitali grossi è sulle teste di perforazione di molte macchine perforatrici da micropalo.
                              In generale, è il tipo di pompa che determina quale tipo di motore. Cioè, se monti una pompa ad ingranaggi che va al massimo a 250 bar, è inutile montare un motore a pistoni, che potrebbe andare a 400, utilizzandolo a pressioni molto più basse. Molto più logico montare un motore che ha più o meno lo stesso campo di pressioni di utilizzo, cioè, per esempio, un orbitale. Allo stesso modo, tendenzialmente una pompa a pistoni ad alta pressione si porta dietro un motore a pistoni, in grado di sopportare le stesse pressioni massime. L'impianto è "economicamente" più equilibrato. Fermo restando che le unità a pistoni sono molto più costose; però, crescendo la pressione, cala la portata necessaria a trasmettere la stessa potenza; quindi, ad alta pressione, tubi, valvole, distributori, cilindri, serbatoio più piccoli, il chè consente di recuperare una parte di costo sull'impianto finale, però con componenti di rendimento, prestazione ed affidabilità molto superiori. Infine, la pompa ad ingranaggi dà una portata fissa; il motore orbitale ha una cilindrata fissa (salvo i Char-Lynn a doppia cilindrata). Se hai bisogno di variare grandemente le portate nel corso dell'utilizzo, molto meglio dal punto di vista energetico usare le pompe a pistoni variabili (esistono però anche fisse) e, addirittura ove serve, anche i motori a pistoni a cilindrata variabile con continuità.
                              Scusa la lunga disquisizione, ma voglio dire che, in generale, non è tanto il tipo di utenza che determina quale motore, ma il tipo di impiego e di impianto generale. La prima domanda è: cosa ci devo fare con 'sto impianto? Quale costo mi posso permettere? Quanto è critica l'applicazione? Dalle risposte viene cosa è meglio usare.
                              I motori a palette hanno un range di velocità molto elevato, più degli orbitali ma meno dei pistoni ed ingranaggi. I rendimenti allo spunto sono buoni, ma non eccezionali. Sono sufficientemente economici rispetto ai pistoni. Tieni presente che le pompe a palette (da cui poi derivani i motori), si sono sviluppate sulle macchine utensili per le loro doti di grande silenziosità, ma a pressioni di utilizzo piuttosto basse. Insomma li usi se devi girare forte (magari su riduttore), quanto un orbitale non arriva; se hai bisogno di coppia di spunto, che il motore ad ingranaggi non ha; in abbinamento a pompe a palette o ad ingranaggi da media pressione. Poi ognuno si sbizzarisce come vuole, caso per caso.
                              Insomma, è anche una questione di "scuola". Prendi le grandi macchine americane di qualche anno fa: media pressione, pomponi ad ingranaggi o palette, lo stesso per i motori. Tanto loro avevano acciaio in quantità e nulla gli fregava di fare impianti con un mare d'olio. Le stesse macchine fatte in Germania avevano (ed hanno) invece pompe a pistoni ad alta pressione. Loro avevano perso la guerra e non avevano grande disponibilità d'acciaio (sennò si rimettevano a fare cannoni). Logico alzare le pressioni per diminuire la portata e di conseguenza la dimensione ed il peso dei componenti. Vedi un po' come porta lontano la scelta di "orbitale o pistoni?".
                              Ciao

                              Commenta


                              • #16
                                Ottimo: sappi che i tuoi post rimarranno incorniciati sul mio desktop!

                                Ma di cosa ti occupi? Tutte conoscenze accumulate sul lavoro o provengono da qualche libro?

                                Posso farti alcune domande su dettagli costruttivi delle unità a pistoni (assiali)? (se hai voglia e tempo sopratutto)

                                Commenta


                                • #17
                                  PPJ, l'oleodinamica si impara con un po' di teoria e tanta pratica. Tant'è vero che un grande esperto di oleodinamica nelle MMT, non è detto che sappia fare tranquillamente e subito un impianto siderurgico o le soffiatrici da plastica. Dopo un po', magari... Ogni settore ha le sue soluzioni, i suoi componenti, i suoi trucchi e raffinatezze.
                                  Il testo storico nel settore è "L'oleodinamica" di Bucciarelli-Speich, ed. Tecniche Nuove.
                                  Per i dettagli sulle pompe a pistoni, prova; al massimo ti rispondo che non lo so. Se Peppo mi vuol dare una mano...

                                  Commenta


                                  • #18
                                    Andrò a cercarmelo in biblio...

                                    domanda 001a( ):

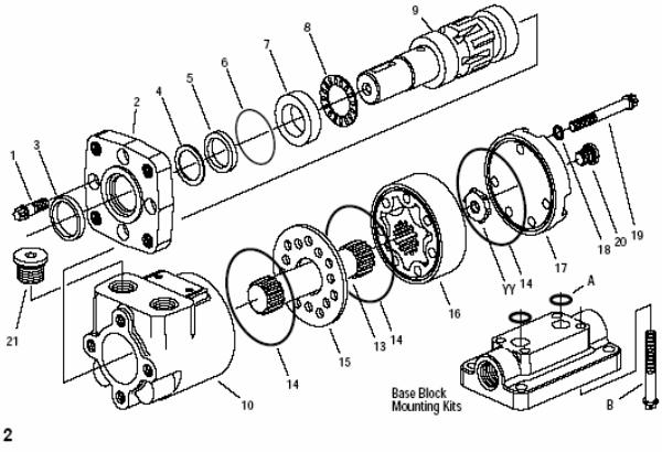
                                    Ho visto unità a pistoni "dritte" ed altre "piegate": in quelle dritte all'estremità dei pistoni ci sono dei pattini in bronzo (?) che strisciano su una piastra inclinata d'acciaio. Nelle unità "piegate" invece il pistone è collegato all'albero "motore" tramite una biella con due estremità sferiche. Come mai si sceglie la prima soluzione? mi pare che spesso sia proprio il cedimento dei pattini a costringere a revisionare la pompa, problema che non dovrebbe verificarsi nel secondo caso, no?

                                    domanda 001b

                                    Nelle unità "del secondo tipo" talvolta il blocco cilindri viene fatto ruotare insieme all'albero da una coppia di ingranaggi, altre volte dalle bielle stesse. L'impiego dell'uno o dell'altro metodo dipende dalle dimensioni dell'unità o è solo questione di scelte progettuali?

                                    domanda 001c

                                    Oltre alla pompa ausiliaria e al drenaggio, ci sono differenze strutturali tra pompe e motori?

                                    domanda 001d

                                    A quando risalgono i primi impieghi di questo tipo di unità?


                                    grazie...le altre mi verranno in mente man mano.

                                    Commenta


                                    • #19
                                      1a) le unità "dritte" si chiamano "a piatto inclinato"; quelle "piegate" a "blocco cilindri inclinato". Il piatto inclinato si fa preferire perchè più compatto e con risposte più rapide alla variazione di cilindrata. Poi col piatto inclinato puoi trascinare una seconda pompa montata posteriormente, col blocco è evidentemente impossibile. Sicuramente il blocco inclinato è meno sensibile alla sporcizia (un po', non è che che si possa mettere la sabbia!). Le scarpette dei pistoni, nel piatto inclinato, ruotano sul piatto con interposto un velo d'olio, detto "sostentamento idrostatico"; se si rompe questo velo, addio pompa!
                                      1b) il gruppo blocco cilindri + pistoni ruota con l'albero. L'ingranaggio ipoide di trascinamento è un brevetto Volvo, ora Parker; in questo modo i pistoni sono scaricati da forze che non siano esclusivamente quelle dovute alla pressione. Tutti gli altri costruttori usano i pistoni anche per trascinare, tangenzialmente, il blocco cilindri. Rexroth ha un brevetto sul pistone conico monopezzo e non composto da pistone cilindrico+biella come i rimanenti altri (Linde, Sam Hydraulic).
                                      1c) internamente non ci sono differenze sostanziali, se non nella piastra di distribuzione che ha sbaffature diverse per la pompa, monodirezionale, e uguali per il motore, che è bidirezionale; incide sulla rumorosità. Attenzione che la pompa ausiliaria è presente solo nelle pompe per circuito chiuso (il ritorno dal motore entra direttamente nell'aspirazione della pompa). Nel circuito aperto (il ritorno da motore/cilindro va al serbatoio) la pompa ausiliaria NON C'E'.
                                      1d) non lo so con certezza, penso fine anni 50 - primi 60

                                      Commenta


                                      • #20
                                        Grazie, tutto chiaro. solo una cosa: perchè "ipoide" l'ingranaggio di trascinamento? mi pare sia una normale coppia conica ad assi coincidenti, no?

                                        Se ti può interessare anche i compressori dell'aria condizionata sono a pistoni assiali. Sono praticamente tutti a piatto inclinato, solo che è il piatto a ruotare anzichè il blocco cilindri. Sul piatto c'è un cuscinetto assiale su cui poggia un disco con delle cavità sferiche ove alloggiano le estremità bielle. Per impedire la rotazione di quest'ultimo disco c'è o una coppia di ingranaggi o un specie di colonna con dei pattini d'ottone.

                                        Ennesima domanda: Sai come si chiama questa pompa?
                                        Attached Files

                                        Commenta


                                        • #21
                                          Così viene definita dal costruttore. Non ho mai "aperto" un Volvo e toccato con mano. Forse è un'errata traduzione e/o interpretazione. Sono d'accordo con te che, visti gli assi concorrenti e non sghembi, è più giusto parlare di coppia conica, credo a denti obliqui (ma non ne sono certo) per ragioni di silenziosità.

                                          Per quanto riguarda la foto, si tratta di una pompa ad ingranaggi interni (qualcuno in questo forum ha chiamato così gli orbitali, errando): rara, costosa, silenziosa, alta pressione.

                                          Commenta


                                          • #22
                                            boh, quelle piccole che ho visto (tipo i motori per la rotazione delle autobetoniere) hanno una coppia conica a denti dritti.

                                            Io ad es ho chiamato gli orbitali "ad ingr. interni..."

                                            Quel tipo di pompa mi pare che si chiami sundstrand ma non ne sono sicuro. Sinceramente mi sembra la brutta copia di una normale pompa ad ingranaggi. Non so se lo sapevi ma viene applicata sistematicamente nei cambi automatici automobilistici.

                                            Altra domandona:
                                            Come mai si costruiscono grossi motori orbitali ma le pompe dello stesso tipo sono relegate a ruoli secondari (lubrificazione, ausiliarie, etc)?

                                            Commenta


                                            • #23
                                              ppj, 'sto post sta diventando un duopolio. Non è che fra un po' ci invitano ad andare in MP?

                                              Sundstrand è una marca americana di unità a pistoni, piatto inclinato, principalmente per circuito chiuso. Molti anni fa si fuse con la Sauer tedesca (credo che avesse la licenza del brevetto Sundstrand per l'Europa). Oggi sono Sauer-Danfoss (proprio quelli degli orbitali). A Bologna possiedono da più di 20 anni la mitica ex-"Turolla", leader delle pompe ad ingranaggi. Forse qui sta il tuo aggancio, anche se non mi risulta che la Turolla abbia mai prodotto pompe ad ingranaggi interni (boh, vai a sapere).
                                              Non chiamare la ingranaggi interni brutta copia, ti confermo che è di gran lunga più prestazionale di una ingranaggi esterni.
                                              Per gli orbitali, confesso la mia ignoranza: non conosco applicazioni come pompa. Del resto, con le basse velocità che sopportano, come si fa ad attaccarle ai 1500 rpm di un motore elettrico o i 2000 ed oltre di un diesel? Anzi, un'applicazione di orbitale come pompa la conosco: pompa di misura per la limitazione della velocità massima di discesa negli argani free-fall (caduta libera), tipo Zollern e Gearmatic.

                                              Commenta


                                              • #24
                                                non provateci ad andare in mp altrimenti noi ignoranti come facciamo ad imparare qualche cosa?
                                                A.G.

                                                Commenta


                                                • #25
                                                  Infatti, come in molti argomenti io sto solo in ascolto, potrebbe esserci qcn interessato anche a qs (lo spero almeno)


                                                  No mi pareva sundstrand perchè tempo fa avevo letto su un libro i nomi dei vari tipi di pompa, però ho ricordi un po confusi.
                                                  Bene, comunque si chiami, d'ora in poi so che è un buon tipo di pompa.

                                                  Le unità orbitali (la danfoss le chiama geroler) hanno un rotore che "orbita", perchè gira attorno ad un asse che gira a sua volta. Invece le pompe per impieghi secondari a cui mi riferivo non le definirei orbitali: sia il rotore che lo statore ruotano attorno a due assi diversi ma fissi. In questo modi si da sempilicemente il moto al rotore che ruota attorno ad un'asse fisso e che trascina in rotazione lo statore (cioè la parte esterna) che gira a sua volta attorno ad un'altro asse fisso. non so se mi sono spiegato... Questo tipo di pompa dovrebbe chiamarsi gerotor. Spesso nei motori autombilistici il rotore è calettato sull'albero motore stesso. Fa conto che ho visto questa pompa applicata al motore della maserati 4porte dove...altro che 2000 giri

                                                  Forse la velocità è il motivo per cui non costruiscono pompe propriamente orbitali, pertanto grazie per l'ennesima risposta. Spero di poter ricambiare someday one day...

                                                  Commenta


                                                  • #26
                                                    Non dici come si crea l'aumento di volume per l'aspirazione e la successiva riduzione per la mandata (ingranaggi, pistoni, palette?).
                                                    Perchè, detto così come hai descritto, può essere benissimo una pompa ad ingranaggi interni: l'eccentricità fra i due assi determina la cilindrata (oltre alla geometria e al numero dei denti), vedi la tua foto. La mezzaluna in basso fa da "tenuta" fra aspirazione e mandata.

                                                    Commenta


                                                    • #27
                                                      Mi sono spiegato male. Ecco, la differenza strutturale tra gerotor e p. ingranaggi interni è proprio che nel gerotor manca la "mezzaluna". Per questo è necessario avere un profilo molto diverso da quello della pompa ad ingr. interni. In pratica il profilo che si usa è lo stesso dei motori orbitali (con qualche variazione sul numero di punte del rotore e sulla costituzione integrale dello statore, che nell'orbitale è invece composto da più pezzi (cilindri + cassa))

                                                      Sebbene i profili rotorici del gerotor e dell'orbitale sembrino diversi perchè il gerotor ha le punte molto più accentuate, sono ottenuti allo stesso modo dalle stesse equazioni (le stesse del wankel).

                                                      Spero che con queste immagini la mia spiegazione diventi un po comprensibile... La pompa gerotor che ho disegnato ha 11 punte al rotore, la ho vista spesso come pompa ausiliaria di pompe a p. assiali.
                                                      Invece le pompa di lubrificazione dei motori hanno di solito 8 punte ma possono averne nel numero che gli pare.
                                                      Attached Files

                                                      Commenta


                                                      • #28
                                                        Mi sembra che:
                                                        a) nella pompa ad ingranaggi interni i due assi di rotazione (rotore e statore) sono eccentrici ma a posizione relativa fissa; lo statore ruota all'interno della carcassa, trascinato dal rotore; l'aspirazione e la mandata sono sempre nella medesima posizione. Come principio, è esattamente quello che tu hai visto sul Maserati 4p.
                                                        b) nel geroler (o gerotor che dir si voglia), l'asse di rotazione del rotore ruota attorno all'asse dello statore, che è solidale alla carcassa. Tant'è che l'albero di uscita è collegato al rotore attraverso un albero cardanico. Sono queste masse inerziali a limitare la velocità massima. La zona di aspirazione e la zona di mandata ruotano anch'esse col variare della posizione del rotore. Tant'è che i motori orbitali hanno un sistema di dischi lamellari per sincronizzare asp/mand con le bocche fisse sulla carcassa.
                                                        O sto prendendo un abbaglio?
                                                        Nota 1: le pompe ausiliarie di sovralimentazione delle pompe a pistoni a circuito chiuso sono appunto delle ingranaggi interni, per i vantaggi di compattezza (sia diametrale che assiale) rispetto alle ingranaggi esterni.
                                                        Nota 2: non ho capito se nel tuo disegno a sinistra lo statore è fisso (e allora è un orbitale) o se ruota. In quest'ultimo caso è una ingranaggi interni, dove la tenuta fra asp e mand, nella zona di massima eccentricità, è affidata, invece che alla mezzaluna, alla coincidenza della testa dente rotore con la testa vano statore. Così limiti l'eccentricità, e quindi la cilindrata, all'altezza del dente. Mah?!

                                                        Commenta


                                                        • #29
                                                          Allora mi pare che abbiamo distinto 2 tipi di p. a ingranaggi interni (PII):
                                                          quelle con la mezzaluna e quelle senza. Mi pare che quella senzasi chiami Gerotor. In entrambe l'aspirazione e la mandata avvengono sempre dalla stessa parte. La differenza sta nel profilo e nel punto di tenuta. Il concetto è che il profilo della PII senza mezzaluna (che chiamerò gerotor) è IDENTICO al profilo del motore orbitale (che la danfoss chiama geroler). Solo che nel motore orbitale il rotore "orbita" con conseguenti forze d'inerzia, mentre nel gerotor il rotore gira su un asse fisso ed ingrana con lo statore che a sua volta gira su un'asse fisso. Cioè come dici tu i due assi sono eccentrici ma a posizione relativa fissa.

                                                          Nel mio disegno lo statore gira e quindi è un ingranaggi interni, anche se è di tutt'altro tipo rispetto a quello di cui ho postato la foto che usano per i cambi automatici. Infatti secondo me il gerotor è solo un orbitale fatto funzionare come un'ingranaggi interni.

                                                          L'eccentricità è si limitata dall'altezza del dente, ma non mi pare che siano male come rapporto ingombro/cilindrata queste pompe, no?

                                                          Ora che abbaimo distinto PII con mezzaluna e senza mezzaluna, quali sono pregi e difetti dei due tipi? Io penso che quella senza mezzaluna sia veramente economica e semplice costruttivamente, e mi pare che non abbia limitazioni di velocità max. A quanto pare però non può fornire buone pressioni. e qui mi viene il dubbio: se i motori orbitali possono andare a 200bar perchè le pompe gerotor (che hanno lo stesso profilo) non possono fare altrettanto?

                                                          Cercherò di documentarmi sui nomi di tutti queste pompe e motori.
                                                          dai un'occhiata qua http://www.parker.com/gearPump/cat/english/Gerotor.pdf
                                                          e qua
                                                          http://www.vianenterprises.com/Pictures1.htm (dice anche la storia!) Pare che si chaimi effettivamente gerotor

                                                          http://www.bucherhydraulics.com/docs...4472_suma~.htm
                                                          Qua invece chiamano gerotor anche gli orbitali

                                                          Mi chiedevo quanto grosse potessero essere le pompe ad ingranaggi...ieri al plast ne ho vista una che aveva gli ingranaggi di 20-25cm però come un pirla mi son dimenticato di chiedere per cosa era...
                                                          Ultima modifica di ppjbcol; 19/02/2006, 12:39.

                                                          Commenta


                                                          • #30
                                                            ppj hai ragione tu: sembra proprio che gerotor stia per "numero vani statore = numero denti rotore + 1". Non importa se a statore rotante (l'originale) o fisso con rotore "orbitante". La pompa a ingr. int. ha vani statore=denti rotore + n con n>1. Quindi il gerotor è una sorta di caso particolare della PII.
                                                            Il gerotor è semplicissimo, con pochissimi pezzi, ma richiede lavorazioni precisissime per la generazione dei profili. Dunque si presta ad applicazioni di grandissima serie (tipo l'automotive) dove i costi dell'industrializzazione del processo produttivo si ammortizzano sulle quantità. Alte velocità e basse pressioni. L'orbitale pressioni più alte (maggior cura nella tenuta) ma velocità più basse (problema masse)

                                                            Commenta

                                                            Caricamento...
                                                            X