MMT Forum Macchine

Annuncio

Collapse
No announcement yet.

Komatsu PC 15 R8 problema cingolo

Collapse
X
 
  • Filtro
  • Data
  • Visualizza
Cancella tutto
new posts

  • Komatsu PC 15 R8 problema cingolo

    Buonaigorno a tutti,
    ho un problema ad un cingolo di un mini komatsu PC 15 R8. Praticamente il cingolo ha poca forza e si muove anche un po' a scatti. Fin che c'è l'altro cingolo che "tira" la macchine anche quello difttoso gira e diciamo che segue l'altro, ma quando cerco di girarmi su me stesso azionando un solo cingolo quello incriminato non gira, sembra non avere forza. Da cosa può dipendere? Può essere solo una questione di taratura sul distributore (parlo da ignorante) o è più attribuibile ad un difetto del riduttore o addirittura del motore idraulico? Ci sono delle verifiche che posso fare per capire dov'è il guasto? Mastico abbastanza di meccanica e potrei azzardare a smontarmi il motoriduttore da solo, è un'operazione che presenta particolari difficoltà o richieda attrezzi specifici? Purtroppo non sono attrezzato per spostare il mini e per risparmiare vorrei risolvermela in casa, sempre che fattibile. Grazie a chiunque voglia dare un consiglio.

  • #2
    Komatsu PCp15 R8 problema cingolo

    buona sera filini bisognerebbe controllare i drenaggi dei due motori in genere al motore arrivano tre tubi due grossi e uno fine quello fine e il tubo di drenaggio o cosi detto di recupero dovresti controllare staccandolo quanti litri ai al secondo questa e una prova ma leggendo quello che tu ai scritto secondo la mia interpretazione ai trafilamento al giunto rotante quante ore ha la macchina innanzi tutto ,un altra verifica da fare sarebbe controllare le pressioni dei motori ma e un lavoro che verrebbe fatto da personale qualificato se non ai manualità con i manometri e l'impianto idraulico non avventurati potresti fare solo confusioni

    Commenta


    • #3
      La macchina ha 2500 ore. Purtroppo non sono attrezzato con misuratori di portata, potrei farlo, non mi spaventa, ma poi non ho conoscenza dell'impianto nè tantomeno schemi che mi permettano di capire il problema.
      La misura della portata del drenaggio la posso fare anche facendo scaricare l'olio in un bidone? E' fattibile? Oppure la misura deve essere precisa? Dove posso recuperare i dati di portata per fare la verifica?
      Io ho come la sensazione che il problema possa essere appunto un trafilaggio. Quando aziono la leva, si sente la pompa che spinge, ma il cingolo appunto sembra non avere sufficiente "pressione" per movimentare la macchina. Il trafilamento del giunto rotante è intervento gravoso e costoso? E' una cosa che secondo voi posso farmi in casa? Grazie per le dritte.

      Commenta


      • #4
        Ciao,
        una pompa... un cingolo va e uno no...

        una volta esclusi problemi sul pilotaggio (pedibolatore ecc..)

        direi giunto di rotazione... molto più difficile il motore della traslazione in perdita

        si potrebbe provare ad invertire i tubi sul giunto girevole per vedere se si sposta il problema da una parte all'altra
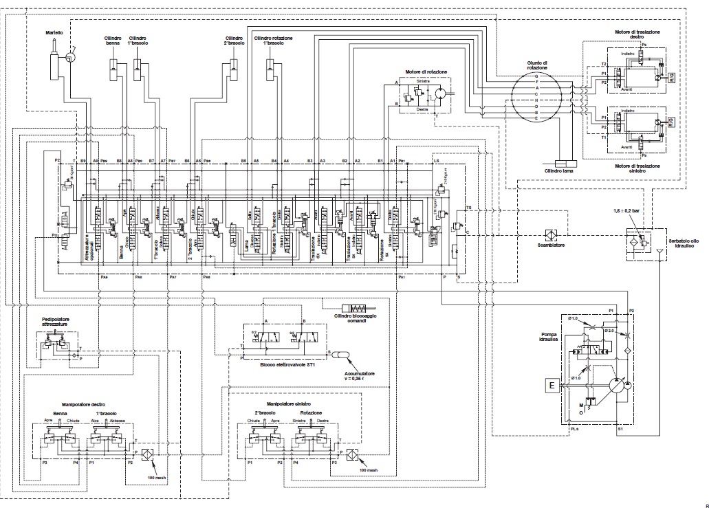
        Attached Files

        Commenta


        • #5
          Grazie molte dello schema anche se purtroppo l'immagine è molto sgranata e non tutto si vede correttamente. Se fosse così gentile da mandarmelo via email (ilfilins@hotmail.com) magari si legge meglio.
          Pensavo, nella mia ignoranza, che il giunto di rotazione fosse un componente del motore idraulico invece dallo schema mi sembra un qualcosa che permette di ruotare sulla ralla senza "arrotolare" i tubi dell'olio. Ho capito bene? Come è fatto un giunto di rotazione? quale potrebbe essere il problema su di esso? Un banale trafilamento? Oppure è un intervento gravoso? Scusate le mille domande, ma prima di imbarcarmi a smontare la macchine vorrei capire se è alla mia portata...
          Grazie

          Commenta


          • #6
            Originalmente inviato da Filini Visualizza messaggio
            Pensavo, nella mia ignoranza, che il giunto di rotazione fosse un componente del motore idraulico invece dallo schema mi sembra un qualcosa che permette di ruotare sulla ralla senza "arrotolare" i tubi dell'olio. Ho capito bene?
            hai capito bene... se le guarnizioni trafilano, quando si alza la pressione una parte di olio finisce in scarico anziché all'utilizzatore. E' un intervento di meccanica medio/semplice
            bisogna solo rimontare le nuove tenute nel modo corretto e senza rovinarle.

            Prima però sarebbe meglio fare un check delle pressioni in modo da non intervenire inutilmente sul girevole... vero che nel 95% delle volte si tratta di quello, ma......

            Commenta


            • #7
              Ciao, mi sono deciso a portare la macchina in officina dove facendo le prove del caso sono arrrivati, per esclusione, ad imputare il guasto al motore idraulico. Sfortuna vuole che il ricambio consta del motore + il riduttore per la modica cifra di 1680€, a cui si aggiunge la manodopera e il cambio dell'olio per un totale di quasi 2500€. Visto che è praticamente 1/3 del valore della macchina ho rinunciato.
              Ho allora trovato una ditta che mi fornisce il motoriduttore per quasi la metà, prodotto italiano e con rapporto di riduzione garantito, nuovo. Proverò a sostituirmelo da solo. Mi dicono essere un'operazione abbastanza semplice, 20 bulloni e i tubi dell'olio. Dite che ce la si può fare? Suggerimenti? Precauzioni?
              Possibile che devo sostituire anche il riduttore? Motore e riduttore nascono insieme da non essere separabili? Cosa hanno in comune, forse l'albero?
              Grazie a tutti per la collaborazione.

              Commenta


              • #8
                Mi sto smontanto il motoriduttore del cingolo da solo, non senza discrete rogne...
                Siccome c'è un raccordo dell'olio che è tutto arrugginito non riesco a svitarlo, anche perchè è in una posizione talmente angusta che la chiave non ha spazio di manovra...
                L'unica è separare il motore idraulico dal riduttore epicicloidale.
                Qualcuno conosce questa macchina? Sa dirmi se motore e riduttore sono tenuti insieme in qualche modo (spinotti, anelli alstici etc?). Ho svitato i bulloni che li tengono uniti ma non riesco a separarli.
                Qualcuno sa darmi qualche dritta? Qualcuno ha i gli schemi o i manuali di officina da passarmi?
                Ve ne sarei davvero grato!

                Commenta

                Caricamento...
                X