Ciao a tutti,
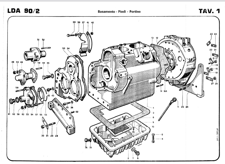
ho fatto il cambio olio motore del mio vecchio Lamborghini LDA 90/2 svitando il bullone 7A della tavola 1 come da documento allegato.
Vi chiedo:
Grazie

ho fatto il cambio olio motore del mio vecchio Lamborghini LDA 90/2 svitando il bullone 7A della tavola 1 come da documento allegato.
Vi chiedo:
- quale olio usa questo motore?
- per il cambio di olio va svitato anche il bullone 6 della tavola 1 ?
Grazie
Commenta