MMT Forum Macchine

Annuncio

Collapse
No announcement yet.

Problema escavatore ex 215

Collapse
X
 
  • Filtro
  • Data
  • Visualizza
Cancella tutto
new posts

  • Problema escavatore ex 215

    buona sera a tutti, ho riscontrato un'anomalia al mio escavatore ex 215, cioè non funziona la veloce della traslazione, sicuramente sarà l'elettrovalvola qualcuno sà indicarmi dove si trova alloggiata? grAZIE

  • #2
    Problema escavatore ex 215

    buonasera a tutti ciao Padana scavi ci sono due versioni del newholland una il blochetto analogico ce la dietro la cabina nel vano batterie una serie all'esterno se non erro e la seconda vedendola dalla parte del motore per essere piu sicuro controllo domani il manuale e ti faro sapere di piu preciso buona serata

    Commenta


    • #3
      Ciao, hai un ex 215 fiat hitachi?

      Commenta


      • #4
        si è un fiat hitachi ex 215 non ho ancora smontato niente, ma se ci fosse un'elettrovalvola non dovrebbe collocarsi sopra il distributore? ciao grazie

        Commenta


        • #5
          Problema escavatore ex 215

          buona sera e buon anno a tutti ciao padana scavi perche la cerchi sul distributore ? e un elettrovalvola montata su un blocchetto dove ci sono montate tutte le elettrovalvole di tutti i comandi a parte del distributore in comunicazione con la centralina uno degli ultimi che ho riparato lo aveva dietro la cabina dove ci sono le batterie io ho riparato l'elettrovalvola della sicurezza e lo inter cambiata proprio con quella della doppia velocità

          Commenta


          • #6
            forse non hai capito che io non ho un new holland ma un fiat hitachi ex 215 dietro ca cabina c'è un sensore che quando giri la chiave senti che si muove una membrana e di fianco ci sono due scatole di fusibili due da 80w e due da 40w

            Commenta


            • #7
              ecco l'elettrovalvola in questione....
              Attached Files

              Commenta


              • #8
                Problema escavatore ex 215

                padana scavi e la stessa macchina solo pitturata di giallo per blocchetto

                analogico intendo quello che ha postato riccardo io il manuale ce lo ma non so come postarlo

                Commenta


                • #9
                  quello che ho postato io E' tratto dal manuale del FIAT HITACHI EX 215
                  Attached Files

                  Commenta


                  • #10
                    volevo ringraziare tutti quelli che mi hanno risposto, ho trovato la valvola in questione e lunedi comincerò a guardare se arriva corrente

                    Commenta


                    • #11
                      Salve a tutti. Per Padana Scavi, facci sapere se risolvi perchè anche io ho un problema simile sul mio ex 215,il quale in più ha anche una andatura non rettilinea .

                      Commenta


                      • #12
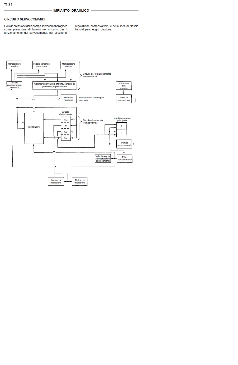
                        Buon giorno, l'ex 215 non ha elettrovalvole ma bensi sensori come tutti gli ex.
                        Il sensore della doppia velocita' è situato nella parte anteriore del distributore.

                        Commenta


                        • #13
                          Originalmente inviato da VAGNONIMA Visualizza messaggio
                          Buon giorno, l'ex 215 non ha elettrovalvole ma bensi sensori come tutti gli ex.
                          Il sensore della doppia velocita' è situato nella parte anteriore del distributore.
                          ... questa informazione NON E' CORRETTA e, causa anche la troppa sintesi, è fuorviante. Anche se questo è un modo di dire che ho già sentito anche da meccanici autorizzati e all'interno di un certo discorso può (forse) avere senso, direi che per aiutare il forum è meglio dare informazioni più corrette e complete.

                          allo scopo allego stralci del manuale
                          Attached Files

                          Commenta


                          • #14
                            Originalmente inviato da mr.machine Visualizza messaggio
                            ........il quale in più ha anche una andatura non rettilinea .
                            Questo potrebbe essere il sensore sulla pompa che serve il cingolo che rallenta.... oppure la pompa fiacca.... oppure il motore usurato...

                            Commenta


                            • #15
                              Originalmente inviato da riccardo281063 Visualizza messaggio
                              Questo potrebbe essere il sensore sulla pompa che serve il cingolo che rallenta.... oppure la pompa fiacca.... oppure il motore usurato...
                              Aggiungo: Giunto rotante e pedipolatore di comando.
                              Luca C.

                              Commenta


                              • #16
                                Grazie per le dritte, riccardo281063 e Luca N.1,il giunto rotante e stato revisionato da poco e ultimamente abbiamo misurato il drenaggio dei motori di traslazione, fatto strano, il motore che ha meno drenaggio è quello che tira meno. Domanda ma il pedipolatore ha delle astine , che necessitano di eventuali registrazioni ,o agiscono direttamente sull'idraulica un pò come fanno i joystick ?

                                Commenta


                                • #17
                                  Originalmente inviato da mr.machine Visualizza messaggio
                                  Grazie per le dritte, riccardo281063 e Luca N.1,il giunto rotante e stato revisionato da poco e ultimamente abbiamo misurato il drenaggio dei motori di traslazione, fatto strano, il motore che ha meno drenaggio è quello che tira meno. Domanda ma il pedipolatore ha delle astine , che necessitano di eventuali registrazioni ,o agiscono direttamente sull'idraulica un pò come fanno i joystick ?
                                  Una prova molto semplice che potresti fare: invertire le mandate delle pompe... tu hai due pompe che servono in parallelo i due motori, se il problema persiste sullo stesso cingolo escludi le pompe.
                                  Il pedipolatore e come un joystick manda segnali al distributore.

                                  Commenta


                                  • #18
                                    Originalmente inviato da mr.machine Visualizza messaggio
                                    il giunto rotante e stato revisionato da poco e ultimamente abbiamo misurato il drenaggio dei motori di traslazione, fatto strano, il motore che ha meno drenaggio è quello che tira meno.
                                    Hai controllato la pressione mentre effettuavi il controllo dei drenaggi?
                                    C'è differenza tra i due motori?
                                    Luca C.

                                    Commenta

                                    Caricamento...
                                    X