MMT Forum Macchine

Annuncio

Collapse
No announcement yet.

Sostituzione dinamo con alternatore

Collapse
X
 
  • Filtro
  • Data
  • Visualizza
Cancella tutto
new posts

  • Sostituzione dinamo con alternatore

    Salve ragazzi vorrei chiedervi un consiglio ho restaurato un same 450V e volevo sapere da qualcuno un po più esperto di me se la dinamo e regolatore funzionano a dovere

    Dinamo e il regolatore da 14 V e 16A sono entrambi della bosch
    dalla dinamo escono prima di entrare nel regolatore circa 60 volt alla batteria arrivano 12,5 volt circa ,
    come valori sono buoni ? indicano che l'impianto di ricarica funziona a dovere?

    grazie

  • #2
    la spia sul cruscotto si spenge non appena il trattore si accende, però se stacco la batteria a motore al massimo non si accende nessuna luce , inoltre ho controllato alla batteria arrivano 2 ampere a 12,5 volt al massimo dei giri

    Se installassi un alternatore di cosa ho bisogno?

    - Alternatore ( quello di un iveco dalily dovrebbe andare)
    - regolatore
    e sopratutto
    c'è da fare qualche modifica all'impianto elettrico? o basta sostituirlo tale e quale alla dinamo

    grazie

    Commenta


    • #3
      si probabile devi costruire la staffa e adattarla all'alternatore

      Commenta


      • #4
        ciao ragazzi , ho reperito l'alternatore, ma prima di mettermi a montarlo sul trattore ho voluto provarlo al banco, l'ho strinto in morsa e poi arrotolando una cordicella ho tirato in modo che la puleggia ruotasse velocemente , ho preso il tester digitale impostato su corrente continua e ho messo il polo positivo sul B+ e quelo negativo sulla carcassa del'alternatore oppure sul D+ , ma mi escono solo 0,1 volt, sbaglio qualcosa o l'alternatore non funziona?

        vi prego aiutatemi

        grazie

        ho provato anche con il mutimetro impostato su corrente alternata ma da 0 volt lo stesso
        Ultima modifica di urbo83; 12/01/2012, 21:30. Motivo: Unione messaggi consecutivi

        Commenta


        • #5
          Originalmente inviato da bolo Visualizza messaggio
          ciao ragazzi , ho reperito l'alternatore, ma prima di mettermi a montarlo sul trattore ho voluto provarlo al banco, l'ho strinto in morsa e poi arrotolando una cordicella ho tirato in modo che la puleggia ruotasse velocemente , ho preso il tester digitale impostato su corrente continua e ho messo il polo positivo sul B+ e quelo negativo sulla carcassa del'alternatore oppure sul D+ , ma mi escono solo 0,1 volt, sbaglio qualcosa o l'alternatore non funziona?

          vi prego aiutatemi

          grazie
          Un alternatore necessita di positivo di eccitazione(D+),oltre ad un numero di giri minimo,per poter caricare.
          Ognuno è ciò che è,non ciò che finge di essere....

          Commenta


          • #6
            alternatore montato e provato, mi sembra funzioni tutto a dovere . dall'alternatore esce una tensione di 14 volt e alla batteria arrivano 13,8, inoltre se stacco la batteria momentaneamente a motore acceso funzionano tutte le luci ( cosa che non succedeva con la dinamo) inoltre la spia di ricarica sul cruscotto si spenge correttamente subito dopo aver acceso il motore


            grazie, a breve vi metto una foto del trattore restaurato interamente da me

            Commenta


            • #7
              Sostituzione dinamo con alternatore

              Saluti,
              Allego schema affinchè qualcuno mi aiuti a collegare l'alternatore al posto della dinamo/regolatore.

              Saluto e ringrazio anticipatamente.
              Attached Files

              Commenta


              • #8
                messaggio

                su che tipo di macchine etipo motore devi modificare

                Commenta


                • #9
                  Ho messo l'alternatore nella parte sinistra del disegno.
                  Attached Files
                  http://www.urbo.altervista.org

                  Commenta


                  • #10
                    Ringrazio vivamente l'amico urbo83,
                    Ciao.

                    Commenta


                    • #11
                      alternatore per fiat 411r

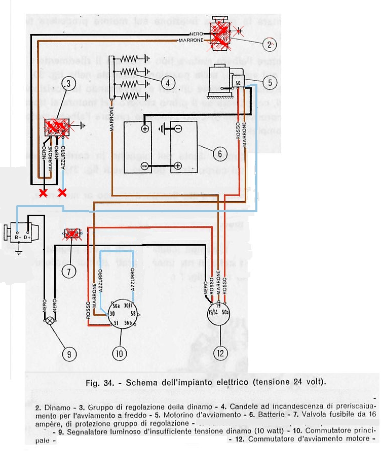
                      salve a tutti dovrei sostituire la vecchia dinamo del mio 411, l'impianto è 24v, vorrei installare un alternatore 24v, cosa consigliate? vostre esperienze?
                      ho trovato in vendita varie tipologie di alternatori dai 35 ai 100 ah dalla campagnola all'iveco al mercedes, su cosa potrei appoggiarmi?

                      Commenta


                      • #12
                        Intanto un alternatore che puoi montare sul tuo motore,con la puleggia che giri nello stesso verso del tuo motore,deve essere per un motore diesel,in quanto si usano puleggie con diametro inferiore di quelle per motori a benzina.
                        Per gli ampere bastano già quelle che erogava il generatore originale,se poi hai esigenze di continui avviamento del tuo motore,all'ora è il caso di porre attenzione su alternatori che erogano maggiori amperaggi.

                        Commenta


                        • #13
                          grazie per la risposta, avevo bisogno di un alternatore grande dato che ho 2 batterie da 12v in serie e da 55A l'una, la dinamo ha solo 5A e se accendo le luci fa fatica a ricaricare subito poi ho installato un verricello da 24v che consuma un po e vorrei ricaricasse prima, per la puleggia intendevo utilizzare quella della dinamo, il senso di rotazione? non l'avevo considerato ma dovrebbe essere orario come tutti i motori

                          Commenta


                          • #14
                            Come dicevo in precedenza,lo stesso alternatore può essere usato su motori diversi,importante è fargli fare lo stesso numero di giri per cui si usano pulegge con diametro diverso.
                            La rotazione è indifferente,ma è la ventola di raffreddamento che determina il verso di rotazione.
                            Con impianti a 12 V,in tanti hanno adattato sul motore un alternatore di recupero d'auto diesel,il tuo impianto ,che non è dissimile da quello del 312,essendo a 24 V,necessita d'un alternatore normalmente usato su veicoli industriali,ossia diesel a 24 V,una batteria da 55 Ah eroga 55 Ampere per la durata di un'ora.
                            Dunque un alternatore da 35 A è già in grado di lavorare egreggiamente,per il verricello bisogna conoscere gli Ampere assorbiti,per sapere se l'impianto poi regge,ed anche per quanto tempo se ne fa uso.

                            Commenta


                            • #15
                              il verricello consuma 305A a pieno carico ma ne uso neanche la metà, di alternatori tu cosa mi consiglieresti?

                              Commenta


                              • #16
                                Considera che con un alternatore da 35 A ricarichi la batteria in meno di due ore,avere più ampere può alla lunga essere deleterio per la durata delle batterie,mentre il verricello è molto vicino con l'assorbimento,al valore di spunto delle batterie,pertanto montare un alternatore più potente non risolve il problema .
                                Solo un uso limitato del verricello è quello che puoi fare in queste condizioni.

                                Commenta


                                • #17
                                  ok ma se calcoli che sulla macchina hai una batteria di 55a ed un alternatore di 60 puoi permetterti di mettere un alternatore da 50 sul trattore avendo due batterie da 55

                                  Commenta


                                  • #18
                                    Originalmente inviato da ecv4 Visualizza messaggio
                                    ok ma se calcoli che sulla macchina hai una batteria di 55a ed un alternatore di 60 puoi permetterti di mettere un alternatore da 50 sul trattore avendo due batterie da 55
                                    Una batteria da 55 Ah può assorbire 55 A in un'ora,due batterie continuano ad assorbire 55 A collegate in serie,per ottenere 110 Ah le devo collegare in parallelo.un generatore da 33 A a 24 V ha il doppio della potenza dello stesso a 12 V.

                                    Commenta


                                    • #19
                                      perfetto grazie E355 sei stato molto gentile

                                      Commenta

                                      Caricamento...
                                      X