MMT Forum Macchine

Annuncio

Collapse
No announcement yet.

Fiat 80-66

Collapse
X
 
  • Filtro
  • Data
  • Visualizza
Cancella tutto
new posts

  • #31
    Originalmente inviato da sergiom Visualizza messaggio
    purchè sul distributore ausiliario vi sia una valvola in grado di proteggere sia le utenze del distributore che il resto dell'impianto alimentato dal carry-over
    si su distributore esiste una valvola montata frontalmente che si puo' regolare muovendo una vite con una chiave esagonale ora mi chiedo a che pressione conviene regolarla .ho controllato con un manometro sull'uscita del distributore e mi segna 150 BAR.

    Commenta


    • #32
      ........lo schema non c'è........se hai montato il distributore sulla linea di pressione del sollevatore avrai sulla stessa linea la valvola di massima del distributore e la valvola di massima del sollevatore....giustamente luca dice che se sono tutte e due tarate alla stessa pressione possono dare luogo ad inconvenienti...per poter usare il sollevatore al massimo della forza la prima valvola che l'olio incontra (quella del distributore) deve avere una taratura maggiore di quella del sollevatore...

      Commenta


      • #33
        Originalmente inviato da cavallopazzo Visualizza messaggio
        ........lo schema non c'è........se hai montato il distributore sulla linea di pressione del sollevatore avrai sulla stessa linea la valvola di massima del distributore e la valvola di massima del sollevatore....giustamente luca dice che se sono tutte e due tarate alla stessa pressione possono dare luogo ad inconvenienti...per poter usare il sollevatore al massimo della forza la prima valvola che l'olio incontra (quella del distributore) deve avere una taratura maggiore di quella del sollevatore...
        ciao ,la valvola del distributore ho inserito un manometro aluscita distributore ed ho visto che e' tarata a 150 BARmentre come faccio ha controllare il valore della valvola di massima del sollevatore.

        Commenta


        • #34
          di che trattore stiamo parlando?

          Commenta


          • #35
            Originalmente inviato da cavallopazzo Visualizza messaggio
            di che trattore stiamo parlando?
            stiamo parlando di un fiat 80-66 DT
            Ultima modifica di sergiom; 10/02/2012, 17:55. Motivo: sistemate quote

            Commenta


            • #36
              mi spiace...non conosco il trattore..comunque trattandosi di un mezzo recente e molto diffuso dovrebbe essere facile trovare notizie sulla taratura della valvola massima del sollevatore........tra l'altro avendo già quella sul distributore si potrebbe anche eliminare.........

              Commenta


              • #37
                Originalmente inviato da rcc Visualizza messaggio
                ciao ,la valvola del distributore ho inserito un manometro aluscita distributore ed ho visto che e' tarata a 150 BARmentre come faccio ha controllare il valore della valvola di massima del sollevatore.
                Per controllare la pressione di taratura della valvola distributore devi attaccare il manometro prima del distributore, facendo un finecorsa di un utilizzo, mentre per controllare la pressione di taratura della valvola sollevamento devi attaccarti prima o dopo il distributore aggiuntivo (non ha importanza) ed utilizzare il sollevameto in fine corsa.
                Luca C.

                Commenta


                • #38
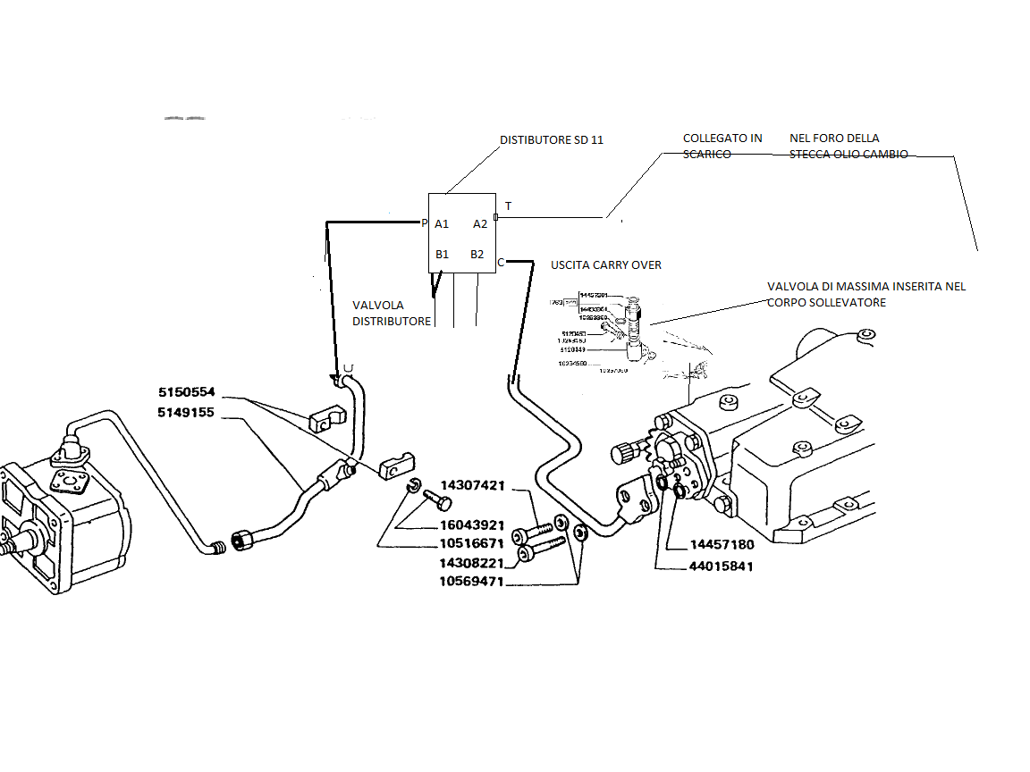
                  questo dovrebbe essere l'impianto idraulico del nostro amico rcc.perchè luca dici di collegare il manometro prima del distributore? se lo collega con una uscita del distributore e fà un finecorsa utenza non misura la taratura della valvola di massima del distributore?..
                  Attached Files

                  Commenta


                  • #39
                    Originalmente inviato da cavallopazzo Visualizza messaggio
                    questo dovrebbe essere l'impianto idraulico del nostro amico rcc.perchè luca dici di collegare il manometro prima del distributore? se lo collega con una uscita del distributore e fà un finecorsa utenza non misura la taratura della valvola di massima del distributore?..
                    quello è lo schema che ha allegato rcc però gli ho già detto di mettere delle foto perchè lo schema non rappresenta la realtà (manca il collegamento conla valvola di massima sul sollevatore).

                    Il sollevatore a fine corsa non va in sovrappressione perchè i comandi interni agiscono sul distributore, in teoria si dovrebbero bloccare i bracci del sollevatore prima del fine corsa, meglio smontare la valvola e controllarla al banco!

                    Commenta


                    • #40
                      Originalmente inviato da cavallopazzo Visualizza messaggio
                      questo dovrebbe essere l'impianto idraulico del nostro amico rcc.perchè luca dici di collegare il manometro prima del distributore? se lo collega con una uscita del distributore e fà un finecorsa utenza non misura la taratura della valvola di massima del distributore?..
                      Si, può collegarsi anche ad un uscita che va ad un utilizzo, l'importante che non sia l'uscita carry over che va ad alimentare il sollevamento, dall'uscita carry over in poi è la valvola del sollevamento che avendo una taratura inferiore determina la pressione massima.
                      Luca C.

                      Commenta


                      • #41
                        Originalmente inviato da Luca N.1 Visualizza messaggio
                        la valvola del sollevamento che avendo una taratura inferiore .
                        RCC ha detto che la valvola sul distributore è tarata a 150 atm, quella sul sollevatore dovrebbe essere ad oltre 170 atm (forse 190), RCC dovrebbe controllare sul manuale del trattore

                        Commenta


                        • #42
                          In ogni caso per poter sfruttare il sollevamento a pieno della sua forza la valvola del distributore dovrà essere sempre tarata ad un valore maggiore di quella del sollevamento
                          Originalmente inviato da sergiom Visualizza messaggio
                          Il sollevatore a fine corsa non va in sovrappressione perchè i comandi interni agiscono sul distributore, in teoria si dovrebbero bloccare i bracci del sollevatore prima del fine corsa, meglio smontare la valvola e controllarla al banco!
                          Ricordo che in alcuni ferguson vi era una posizione della leva che mandava la pompa del sollevamento in pompata continua, anche quando i bracci andavano a finecorsa, è possibile?.....o ricordo male
                          Luca C.

                          Commenta


                          • #43
                            Originalmente inviato da Luca N.1 Visualizza messaggio
                            Ricordo che in alcuni ferguson vi era una posizione della leva che mandava la pompa del sollevamento in pompata continua, anche quando i bracci andavano a finecorsa, è possibile?.....o ricordo male
                            i ferguson per me sono un mondo sconosciuto, potrebbe anche essere possibile

                            Commenta


                            • #44
                              grazie a tutti per le risposte, appena ho un po di tempo faro le verifiche del caso

                              Commenta


                              • #45
                                Fiat 80-66

                                chiedo se qualcuno conosce la coppia di serraggio del mozzo del fiat 80-66 DT particolare in rosso nella foto allegata. grazie
                                Attached Files

                                Commenta


                                • #46
                                  Ciao RCC, non credo che il particolare indicato abbia una specifica coppia di serraggio.
                                  Essendo dotato di rondella ad alette per il bloccaggio, dubito che andrebbero a corrispondere gli intagli e spostando la ghiera per farli corrispondere si varia comunque il serraggio.
                                  Così a vista dovrebbe solamente mantenere uniti i due cuscinetti a sfere, penso che accostata la ghiera a battuta ed effettuando un mezzo giro (180°) sull'aletta corrispondente sia a posto.
                                  Sottolineo il penso e lascio la parola ai più esperti
                                  Marco B

                                  Commenta


                                  • #47
                                    Stavo facendo anch'io la solita considerazione Marco, dall'illustrazione poi non si capisce se si tratta per entrambi di cuscinetti radiali rigidi ad una corona di sfere o di cuscinetti obliqui ad una corona di sfere dove i primi sono intolleranti ai carichi assiali mentre gli altri si "adattano" meglio... morale della favola se si trattasse di cuscinetti rigidi andando ad applicare un elevato carico assiale con la coppia di serraggio non la vedo un'ottima soluzione.

                                    Ciao

                                    Nicola

                                    Commenta


                                    • #48
                                      Originalmente inviato da MacGyver Visualizza messaggio
                                      ... dall'illustrazione poi non si capisce se si tratta per entrambi di cuscinetti radiali rigidi ad una corona di sfere o di cuscinetti obliqui ad una corona di sfere dove i primi sono intolleranti ai carichi assiali mentre gli altri si "adattano" meglio...
                                      Concordo pienamente, bisognerebbe sapere il tipo di cuscinetto impiegato.
                                      Marco B

                                      Commenta


                                      • #49
                                        Originalmente inviato da Marco Bellincam Visualizza messaggio
                                        Concordo pienamente, bisognerebbe sapere il tipo di cuscinetto impiegato.
                                        Di solito non ci dovrebbero essere cuscinetti a rulli messi contrapposti?
                                        Ognuno è ciò che è,non ciò che finge di essere....

                                        Commenta


                                        • #50
                                          Direi di si Mefito, se dovessi fare un progetto io impiegherei dei cuscinetti ad una corona di rulli conici con disposizione a "X" ovvero contrapposti come dici tu per la particolarità di essi di resistere sia a carichi radiali che assiali, infine, la disposizione a "X" consente di applicare i carichi in tutte le direzioni; anche in questo caso tuttavia non vedo necessità di un eccessivo precarico sulla filettatura mediante coppia di serraggio.

                                          Commenta


                                          • #51
                                            Originalmente inviato da MacGyver Visualizza messaggio
                                            infine, la disposizione a "X" consente di applicare i carichi in tutte le direzioni; anche in questo caso tuttavia non vedo necessità di un eccessivo precarico sulla filettatura mediante coppia di serraggio.
                                            Infatti si montano con un precarico "minimo",appena avvertibile in una leggerissima resistenza al rotolamento.
                                            Ognuno è ciò che è,non ciò che finge di essere....

                                            Commenta


                                            • #52
                                              Originalmente inviato da mefito Visualizza messaggio
                                              Infatti si montano con un precarico "minimo",appena avvertibile in una leggerissima resistenza al rotolamento.
                                              Assenza di gioco radiale e leggera resistenza al rotolamento, il tutto con cuscinetto a secco e lubrificato o ingrassato in seguito.
                                              Marco B

                                              Commenta


                                              • #53
                                                Sono cuscinetti a rulli conici, come c'era da aspettarsi

                                                Commenta


                                                • #54
                                                  grazie per le risposte.stamani ho telefonato ad un concessionario fiat, gentilissimo, mi ha passato il capo officina il quale mi ha detto che quella ghiera va serrata a 6 KG facendo ruotare il mozzo per far assestare i cuscinetti. detto da lui questi sono dati presi dal manuale di quel trattore.

                                                  Qualcuno sa come registrare gli snodi del fuso come da disegno precedente ho notato che sul coperchio inferiore ci sono degli spessori ,non conosco il metodo di registrazione.grazie ancora
                                                  Ultima modifica di sergiom; 22/06/2012, 12:32.

                                                  Commenta


                                                  • #55
                                                    Originalmente inviato da rcc Visualizza messaggio
                                                    grazie per le risposte.stamani ho telefonato ad un concessionario fiat, gentilissimo, mi ha passato il capo officina il quale mi ha detto che quella ghiera va serrata a 6 KG facendo ruotare il mozzo per far assestare i cuscinetti. detto da lui questi sono dati presi dal manuale di quel trattore.
                                                    Scusate,se sono cuscinetti a rulli conici da registrare un precarico,sulla ghiera,di di 6 Kg\m mi sembra un'esagerazione:non è che erano 6 N (Newton),0.6 Kg\m circa

                                                    Originalmente inviato da rcc Visualizza messaggio
                                                    Qualcuno sa come registrare gli snodi del fuso come da disegno precedente ho notato che sul coperchio inferiore ci sono degli spessori ,non conosco il metodo di registrazione.grazie ancora
                                                    Se ho capito bene,quegli spessori servono ad regolare il gioco verticale della forcella:bisogna conoscere il valore di detto gioco.
                                                    C

                                                    Commenta


                                                    • #56
                                                      Originalmente inviato da castagnetto Visualizza messaggio
                                                      Scusate,se sono cuscinetti a rulli conici da registrare un precarico,sulla ghiera,di di 6 Kg\m mi sembra un'esagerazione:non è che erano 6 N (Newton),0.6 Kg\m circa
                                                      Condivido in pieno e riprendo quanto detto da Mefito sul metodo di regolazione del gioco qualche post più sopra:

                                                      Originalmente inviato da mefito Visualizza messaggio
                                                      Infatti si montano con un precarico "minimo",appena avvertibile in una leggerissima resistenza al rotolamento.
                                                      fai attenzione 60 N/m = 6.118 Kgm e mi sembrano tanti...

                                                      infine leggi quanto riportato da skf qui:



                                                      precisamente:

                                                      "Se in funzionamento l'albero si riscalda più dell'alloggiamento, il precarico imposto a temperatura ambiente durante il montaggio tende ad aumentare, e in misura maggiore nelle disposizioni ad "X" che in quelle ad "O". Mentre la dilatazione termica in senso radiale tende a ridurre il gioco o ad aumentare il precarico in entrambi i casi, tale tendenza nelle disposizioni ad "X" viene accentuata per effetto della dilatazione termica in senso assiale e in quelle ad "O" viene ridotta. Solo nelle disposizioni ad "O" e per una certa distanza fra i cuscinetti e quando il coefficiente di dilatazione è uguale per i cuscinetti e le parti adiacenti, le dilatazioni termiche radiali ed assiali si annullano una con l'altra, tanto che il precarico non cambia."

                                                      Ciao

                                                      Commenta


                                                      • #57
                                                        ciao a tutti in merito alla coppia di serraggio del mozzo ruota, oggi sono ritornato dal concessionario fiat (GENTILISSIMO ) gli ho fatto notare ,come da voi suggerito la misura della coppia di serraggio ,lui mi ha detto di attendere un attimo che consultavamo insieme il manuale di officina.infatti consultanto il manuale di officina lui mi ha confermato che quello che mi aveva detto era giusto.gli ho chiesto se si poteva avere una copia del manuale ,ma lui mi ha risposto che al massimo mi poteva fotocopiare quella pagina che abbiamo consultato insieme,dicendomi che il suo capo non vuole dare manuali a nessuno.ho subito ringraziatoed ecco qua allego quella pagina con la procedura di registrazione

                                                        fai attenzione 60 N/m = 6.118 Kgm e mi sembrano tanti...

                                                        infine leggi quanto riportato da skf qui:



                                                        precisamente:

                                                        "Se in funzionamento l'albero si riscalda più dell'alloggiamento, il precarico imposto a temperatura ambiente durante il montaggio tende ad aumentare, e in misura maggiore nelle disposizioni ad "X" che in quelle ad "O". Mentre la dilatazione termica in senso radiale tende a ridurre il gioco o ad aumentare il precarico in entrambi i casi, tale tendenza nelle disposizioni ad "X" viene accentuata per effetto della dilatazione termica in senso assiale e in quelle ad "O" viene ridotta. Solo nelle disposizioni ad "O" e per una certa distanza fra i cuscinetti e quando il coefficiente di dilatazione è uguale per i cuscinetti e le parti adiacenti, le dilatazioni termiche radiali ed assiali si annullano una con l'altra, tanto che il precarico non cambia."

                                                        Ciao
                                                        Attached Files
                                                        Ultima modifica di sergiom; 26/06/2012, 14:09.

                                                        Commenta


                                                        • #58
                                                          Filtro olio FIAT 80-66

                                                          Salve a tutti, chiedevo informazione sulla conformazione del supporto filtro olio motore del trattore FIAT 80-66. Il mio supporto è costituito solo dal perno filettato dove avvitare il filtro, mentre ad altri FIAT si trova una prolunga cilindrica del diametro di 1 cm che parte dal perno. Cosa potete suggerire al riguardo, grazie a tutti!

                                                          Commenta


                                                          • #59
                                                            Hai già un filtro montato?
                                                            Se si ti basta prendere il ricambio conforme.
                                                            È sempre possibilextrovare variazioni sullo stesso modello.
                                                            Ognuno è ciò che è,non ciò che finge di essere....

                                                            Commenta

                                                            Caricamento...
                                                            X