MMT Forum Macchine

Annuncio

Collapse
No announcement yet.

Problemi elettrici su trattore (modelli vari)

Collapse
X
 
  • Filtro
  • Data
  • Visualizza
Cancella tutto
new posts

  • #61
    grazie adesso inizio un pò a saltarci fuori,io quindi o collegato giusto i cavi non è un mio errore ci connessione,grazie ancora e scusate se continuo a insistere su questa cosa ma è l'unico modo per capirci!grazie per la vostra pazienza ragazzi

    Commenta


    • #62
      Il motore non si spegne

      Salve a tutti.
      Ho risistemato l'impianto elettrico di una motoagricola un po' datata con motore Lombardini LDA 100.
      Ho seguito passo-passo lo schema che ho allegato. Come blocchetto avviamento è montato un COBO 14.159.000 tipo Fiat a 4 posizioni (vedi schema collegamenti). Al 30 ho collegato il positivo batteria, al 50 il motorino di avviamento, al 15/54 le luci, al 50/57 il cavo verde che va al regolatore di tensione (Ducati) al 57 la spia pressione olio. Quest'ultima collegata sull'altro contatto con il bulbo. Il risultato è il seguente: La spia olio non funziona. Nella posizione P della chiave non funzionano le luci. Nella posizione 1 le luci si accendono. Nella posizione 2 il motore si avvia. Il grosso problema è che non riesco a spegnere il motore! Se giro la chiave in posizione 0, il motore gira lo stesso e non si spegne!!! L'unico sistema per spegnere il motore e mettere la terza o la quarta marcia e decelerare.
      Secondo voi da cosa possono dipendere questi malfunzionamenti?
      Magari cambiare il blocco chiave con uno a 3 posizioni o forse il regolatore di tensione?
      Sui motori a benzina per spegnere il motore a volte c'è il pulsante di massa, per un diesel che tipo di collegamento elettrico provoca lo spegnimento del motore?
      Attached Files

      Commenta


      • #63
        Originalmente inviato da mode63 Visualizza messaggio
        Il grosso problema è che non riesco a spegnere il motore! Se giro la chiave in posizione 0, il motore gira lo stesso e non si spegne!!!
        Ovvio! Leggi il manuale del motore per le procedure di spegnimento, molto probabilmente vi è una leva da tirare (forse la stessa che funge da acceleratore) , puoi collegargli un cavetto d'acciaio (fili dei freni delle biciclette) con una manopolina come tiretto, oppure azionarlo tramite elettromagnete, ma per questo ti devono aitare gli altri utenti perchè io non ne sono capace.

        Commenta


        • #64
          Rispondo a mode63:

          I motori diesel delle macchine agricole anziane non sono come quelli delle automobili che hanno un contatto elettrico sulla pompa del gasolio e che permette di spegnerli girando la chiave. Questi motori hanno una leva meccanica che agisce sulla pompa del gasolio e ne annulla il pompaggio. Nel Lombardini LDA100, vicino al tappo dell'olio, sulla destra (guardando dal lato puleggia) ha una piccola leva a farfalla che se tirata verso il fuori ha la funzione di supplemento per l'accensione (devi dare un po' di gas per farla rimanere tirata) e se ruotata spegne il motore (devi tenerla ruotata fino a che l'albero motore si ferma completamente altrimenti il motore si riaccende).

          Click image for larger version

Name:	LDA100.png
Views:	1
Size:	138,3 KB
ID:	1078037

          Per quanto riguarda il collegamento del blocchetto di accensione.
          • 30 - Positivo dalla batteria.
          • 50 - Verso relè motorino d'avviamento.
          • 15/54 - Utenze da utilizzare solo con quadro elettrico accesso (posizione 1): bulbo pressione olio e cavo verde di alimentazione regolatore di tensione.
          • 57 - Linea fari che devono accendersi anche nella posizione P.
          • 57/58 - Positivo dalla batteria (uguale al 30).

          In questo modo hai:
          • Posizione P: solo i fari si accendono e vengono alimentati dalla corrente che entra nel 30
          • Posizione 0: tutto spento
          • Posizione 1: Fari alimentati dalla corrente che entra nel 57/58 e servizi alimentati dalla corrente che entra nel 30
          • Posizione 2: Come la 1 ma in più viene inviato il comando al relè del motorino.
          http://www.urbo.altervista.org

          Commenta


          • #65
            ciao a tutti
            sono un nuovo iscritto, vi chiedo aiuto per il seguente motivo :mi servirebbe più urgente
            possibile lo schema eletrico del ferrari 75 anno 1973, grazie a tutti. ciaooooooooooooo

            Commenta


            • #66
              Originalmente inviato da supertractor Visualizza messaggio
              ciao a tutti
              sono un nuovo iscritto, vi chiedo aiuto per il seguente motivo :mi servirebbe più urgente
              possibile lo schema eletrico del ferrari 75 anno 1973, grazie a tutti. ciaooooooooooooo
              Benvenuto sul forum.

              Scusa per il ritardo con cui ti rispondo. Ti allego lo schema elettrico con il regolatore di tensione a cinque terminali.

              Click image for larger version

Name:	wd.png
Views:	1
Size:	194,6 KB
ID:	1078319Click image for larger version

Name:	02.png
Views:	1
Size:	100,4 KB
ID:	1078326

              Nel regolatore, tre cavi (giallo, rosso, giallo) vengono dall'alternatore.
              Dal morsetto più grosso del regolatore (di solito indicato con la lettera B o con il simbolo +) parte un cavo (2.5mm²) che va al positivo della batteria (oppure al positivo sul motorino d'avviamento dove è più facile e comodo avvitare dei capicorda).
              L'ultimo morsetto rimasto libero (dovrebbe avere il simbolo di un interruttore o una lettera C) parte un cavo (1.5mm²) da collegare ad un positivo sottochiave (connettore 15 o 15/54 del blocchetto chiave) che puoi riconoscere .
              Ultima modifica di urbo83; 11/03/2011, 20:27.
              http://www.urbo.altervista.org

              Commenta


              • #67
                ciao urbo 83
                scusami ma il mio regolatore non ha simboli mà ha scritto solo i colori è sono in questa posizione, partendo da sinistra con i collegamenti dal lato da sotto sono 1rosso 2verde il tre grigio il quarto giallo il quinto giallo ,per il rosso e i due gialli sò dove attaccarli mentre hò problemi dove attaccare il cavo chè mi dovrebbe caricare la batteria,non sò se metterlo al verde o al grigio.per quanto riguarda lo schema puoi mandarmi anche la leggenda per i simboli, per non fare confusione!scusami se ti chiedo troppo ma non sò da dove cominciare perchè il trattore che stò restaurando non aveva nulla di eletrico
                ciao a presto

                Commenta


                • #68
                  Originalmente inviato da supertractor Visualizza messaggio
                  ciao urbo 83
                  scusami ma il mio regolatore non ha simboli mà ha scritto solo i colori è sono in questa posizione, partendo da sinistra con i collegamenti dal lato da sotto sono 1rosso 2verde il tre grigio il quarto giallo il quinto giallo ,per il rosso e i due gialli sò dove attaccarli mentre hò problemi dove attaccare il cavo chè mi dovrebbe caricare la batteria,non sò se metterlo al verde o al grigio.per quanto riguarda lo schema puoi mandarmi anche la leggenda per i simboli, per non fare confusione!scusami se ti chiedo troppo ma non sò da dove cominciare perchè il trattore che stò restaurando non aveva nulla di eletrico
                  ciao a presto
                  Ho modificato il messaggio precedente aggiungendo la legenda: mi era sfuggita.

                  Ho controllato un vecchio schema elettrico della Lombardini in cui il cavo grigio va al polo positivo della batteria mentre il verde va ad un positivo sottochiave (15/54 del blocchetto chiave).
                  http://www.urbo.altervista.org

                  Commenta


                  • #69
                    Ciao! Ragazzi!
                    Complimenti a tutto quello che fate su questo forum.
                    Vi chiedo un grande cortesia, o comprato un Same Puledro 35cp, 1965 anno di fabricazione che a l'impianto eletrico a pezzi.
                    Ogii sono andato a identificare tutte le scrite che sono sui vari pezzi:
                    -dinamo: DF, D+
                    - motorino aviamento, 2 buloni di 8-10mm, e sopra di loro una vite senza testa che scompare dentro
                    -contato: 15, 30, 54/1, 54/2, 56a, 56b, 56c, 57, 58, 61A, 67
                    -rele regulatore magneti marelli: DF,D+, 51, 61
                    Carisimi, vi ringrazio se mi potete aiutare a rifare questo benedetto impianto.
                    Ciao!

                    Commenta


                    • #70
                      Originalmente inviato da ION MADALIN Visualizza messaggio
                      Ciao! Ragazzi!
                      Complimenti a tutto quello che fate su questo forum.
                      Vi chiedo un grande cortesia, o comprato un Same Puledro 35cp, 1965 anno di fabricazione che a l'impianto eletrico a pezzi.
                      Ogii sono andato a identificare tutte le scrite che sono sui vari pezzi:
                      -dinamo: DF, D+
                      - motorino aviamento, 2 buloni di 8-10mm, e sopra di loro una vite senza testa che scompare dentro
                      -contato: 15, 30, 54/1, 54/2, 56a, 56b, 56c, 57, 58, 61A, 67
                      -rele regulatore magneti marelli: DF,D+, 51, 61
                      Carisimi, vi ringrazio se mi potete aiutare a rifare questo benedetto impianto.
                      Ciao!
                      Benvenuto sul forum!

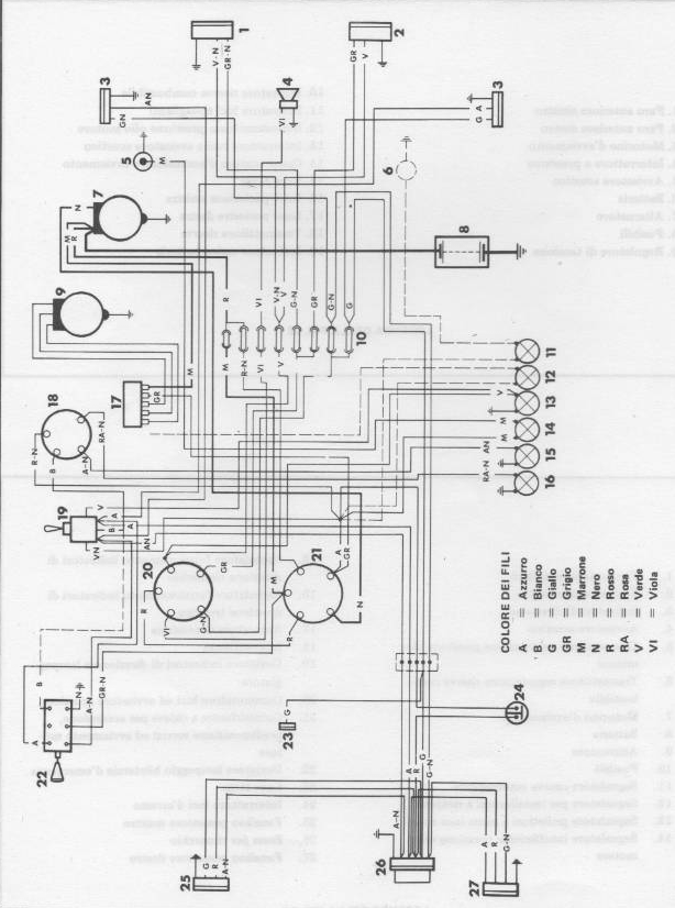
                      Lo schema elettrico del SAME Atlanta 45 dovrebbe essere un buon punto di partenza (clicca per allargare).

                      Click image for larger version

Name:	017.jpg
Views:	1
Size:	109,6 KB
ID:	1078837

                      Se hai bisogno di altri chiarimenti chiedi pure.
                      http://www.urbo.altervista.org

                      Commenta


                      • #71
                        Originalmente inviato da ION MADALIN
                        Ciao Urbo!
                        Sono riuscito a trovare la voce inserimento foto, e o messo sul Album MMT, il disegno di questto quadro, ma non sono riuscito a creare il codice per metterlo sul forum. Si vede che non sono riuscito a inserire bene la foto, chi sa.
                        Comunque o provato e la foto e nella cartela Machine Agricole e Forestali, poi nella cartela Fai da tè, e li sotto Quadro luci Same.
                        Grazie!
                        Trovata. La allego a questo messaggio così non la perdo.

                        Click image for larger version

Name:	a.png
Views:	1
Size:	20,0 KB
ID:	1078849

                        Purtroppo sono un po' incasinato col lavoro e non riesco a risponderti subito visto che non ho uno schema pronto. Nel frattempo potresti controllare se sul devioluci c'è il marchio e il modello. In questo modo potrebbe essere più facile trovare uno schema elettrico.
                        http://www.urbo.altervista.org

                        Commenta


                        • #72
                          Al momento sono riuscito a trovare questo:
                          • 30 - Positivo da batteria o, se hai anche un blocchetto seperato per la chiave, dal 15/54 della chiave.
                          • 56A - Luci abbaglianti e relativa spia
                          • 56B - Luci anabbaglianti e relativa spia
                          • 57 - Luci di posizione posteriore sinistra, anteriore destra, relativa spia e retroilluminazione cruscotto.
                          • 58 - Luci di posizione posteriore destra, anteriore sinistra e luce bianca posteriore


                          Ma il trattore ha un ulteriore blocchetto della chiava per l'accensione o inserisci direttamente la chiave in questo?
                          http://www.urbo.altervista.org

                          Commenta


                          • #73
                            Chiedo qui, visto che devo rifare l'impianto elettrico.
                            E' possibile usare cavi normali inguainati in guaine termorestringenti (usando cavi della dimensione giusta chiaramente, per evitare fusioni) invece di quelli resistenti al calore?
                            Voi che avete rifatto gli impianti elettrici cosa avete usato?
                            Perchè non riesco a trovare i cavi resistenti al calore qui a Firenze...

                            Commenta


                            • #74
                              Originalmente inviato da T.p.r. agricolo Visualizza messaggio
                              Chiedo qui, visto che devo rifare l'impianto elettrico.
                              E' possibile usare cavi normali inguainati in guaine termorestringenti (usando cavi della dimensione giusta chiaramente, per evitare fusioni) invece di quelli resistenti al calore?
                              Voi che avete rifatto gli impianti elettrici cosa avete usato?
                              Perchè non riesco a trovare i cavi resistenti al calore qui a Firenze...
                              Salve T.p.r.agricolo
                              non so dell'esistenza di cavi particolarmente resistenti alle calorie esterne;le calorie esterne si devono tenere a bada cercando percorsi quanto più lontani da fonti di calore e proteggendo i cavi con guaine ignifughe(accendendole direttamente non prendono fuoco ma al massimo si restringono).Per prevenire surriscaldamenti innaturali(da carenze strutturali o cavo sottodimensionato) dei cavi bisogna dimensionarli -in sezione - correttamente tenendo presente l'assorbimento e la lunghezza dei cavi e che più è bassa la tensione più sono necessarie sezioni più grosse.
                              saluti
                              Ultima modifica di enovob; 15/07/2011, 16:12. Motivo: correzioni

                              Commenta


                              • #75
                                Originalmente inviato da T.p.r. agricolo Visualizza messaggio
                                Chiedo qui, visto che devo rifare l'impianto elettrico.
                                E' possibile usare cavi normali inguainati in guaine termorestringenti (usando cavi della dimensione giusta chiaramente, per evitare fusioni) invece di quelli resistenti al calore?
                                Voi che avete rifatto gli impianti elettrici cosa avete usato?
                                Perchè non riesco a trovare i cavi resistenti al calore qui a Firenze...
                                I cavi con guaina in PVC (sono quelli più scarsi) utilizzati per gli impianti domestici resistono tranquillamente a 70°C quindi non avrai problemi.
                                http://www.urbo.altervista.org

                                Commenta


                                • #76
                                  Grazie mille ad entrambi! Se potessi vi reputerei!

                                  Ho cercato veramente nei posti più forniti ma appunto, a parte bobine da 100 metri, nessuno mi poteva fornire niente.
                                  Almeno così me la cavo con pochi euro.. Per il dimensionamento infatti prendo cavi della stessa sezione.
                                  Grazie ancora!

                                  Commenta


                                  • #77
                                    same 90 DT

                                    same esplorer 90DT del 1999 in questi giorni di freddo non riesco ad accenderlo,giro la chiave il motorino d'avviamento gira per un pò poi mi salta il fusibile,sarà la batteria un pò scarica? o qualche rogna nascosta?ciao

                                    Commenta


                                    • #78
                                      problema risolto era una stupidata,grazie comunque

                                      Commenta


                                      • #79
                                        Scusa, potresti gentilmente dirci qual'era la stupidata? Chissà mai che succeda ad altri...
                                        ACTROS
                                        "CB COMINO"

                                        Commenta


                                        • #80
                                          era colpa mia facevo la messa in moto dimenticando di staccare il carica batterie e così il fusibile saltava

                                          Commenta


                                          • #81
                                            lampeggiante che fa saltare il fusibile!!!

                                            Buongiorno, scrivo perchè ho un lampeggiante a baionetta che mi fa dannare! Allora se io lo collego al suo attacco tenendolo in mano ( non fissato al trattore )tutto va.... se l'attacco lo fissò con un bullone... o al parafango o sul arco di protezione, o dietro il sedile ( ho provato vari posti, fa saltare il fusibile, ho isolato bene i fili, isolato perfino il bullone e l' attacco ma niente... che può essere?!

                                            Commenta


                                            • #82
                                              Originalmente inviato da daniel Visualizza messaggio
                                              Buongiorno, scrivo perchè ho un lampeggiante a baionetta che mi fa dannare! Allora se io lo collego al suo attacco tenendolo in mano ( non fissato al trattore )tutto va.... se l'attacco lo fissò con un bullone... o al parafango o sul arco di protezione, o dietro il sedile ( ho provato vari posti, fa saltare il fusibile, ho isolato bene i fili, isolato perfino il bullone e l' attacco ma niente... che può essere?!
                                              Dispersione di corrente sul trattore, cioè, vi sono cariche di corrente sul telaio del trattore, per prova interponi un pezzo di legno asciutto e vedi se il fusibile salta ancora.

                                              Commenta


                                              • #83
                                                lapeggiante

                                                Originalmente inviato da challenger Visualizza messaggio
                                                Dispersione di corrente sul trattore, cioè, vi sono cariche di corrente sul telaio del trattore, per prova interponi un pezzo di legno asciutto e vedi se il fusibile salta ancora.
                                                E se fosse che il lappeggiante ha una vibrazione interna?(filo un po scoperto) che daniel non riesce ha vedere(perché chiuso)ho che non si é accorto .Il pezzo di(legno)é una buona idea solo quando non piove e se si mette a diluviare ? il problema non é risolto

                                                Commenta


                                                • #84
                                                  e se fosse che ha invertito la polarità?
                                                  Finche lo tiene in mano funziona, appena lo collega al telaio mette in corto il positivo(che sul lampeggiante è a massa)con la massa del trattore.
                                                  Ognuno è ciò che è,non ciò che finge di essere....

                                                  Commenta


                                                  • #85
                                                    Grazie, si potrebbe esser! Per non sbagliare allor vi chiedo un ulteriore conferma.... polo positivo attaccato alla punta del connettore... e il negativo alla lamella laterale giusto? Mentre dal attacco del lampeggiante come lo collego? Un polo ha scritto AH e va su laterale e l altro nulla e va su centrale nella baionetta.... consigliatemi voi perché a elettricità sono ignorante.. Grazie

                                                    Commenta


                                                    • #86
                                                      Originalmente inviato da daniel Visualizza messaggio
                                                      Grazie, si potrebbe esser! Per non sbagliare allor vi chiedo un ulteriore conferma.... polo positivo attaccato alla punta del connettore... e il negativo alla lamella laterale giusto? Mentre dal attacco del lampeggiante come lo collego? Un polo ha scritto AH e va su laterale e l altro nulla e va su centrale nella baionetta.... consigliatemi voi perché a elettricità sono ignorante.. Grazie
                                                      è abbastanza facile:
                                                      hai detto bene per il connettore, e sull'attacco devi fare uguale, sul "prendi" punta nel mezzo ci va il +, mentre nell'involucro che poi è quello che ti va a contatto con la lamella laterale ci va il -

                                                      Negli impianti a 12 V o 24 V i colori e di conseguenza polarità devono essere sempre uguali, su un rosso ci deve riandare un rosso (quindi positivo su positivo) e uguale per il nero....
                                                      Poi considera che il negativo è messo sulla carrozzeria-telaio (a meno delle vecchie macchine con motori inglesi) quindi se te hai uno spinotto come quello del lampeggiante vedrai che è praticamente lo stesso pezzo di ferro che ti và a far contatto con la lamella e ti và appoggiato sul telaio, di conseguenza non ci può andar altro che il -

                                                      Spero di essere stato chiaro

                                                      Commenta


                                                      • #87
                                                        Fatto ! Aveva ragione mefito semplice polarità invertita! E grazie a barrocama per la spiegazione esaustiva.

                                                        Commenta


                                                        • #88
                                                          Ragazzi...ho un problema con un rele' che alimenta i fari anabaglianti....
                                                          si surriscalda ed al cambio luci mi lascia al buio senza anabaglianti.....
                                                          premetto che l'impianto è completamente originale e nelle 3000 ore del trattore è la seconda volta che mi succede.....non è una grande spesa sostituire il rele', è più la seccatura trovarsi per strada e rimanere al buio in un cambio luci e dover trattenere gli abbaglianti.....
                                                          come soluzione pensavo di affiancare all'originale un secondo rele' in parallelo in maniera che il passaggio di corrente venisse suddiviso....che dite? può funzionare?

                                                          Commenta


                                                          • #89
                                                            Doppio relè funziona ma ti occupa il doppio dello spazio.
                                                            Forse esiste un relè che nello stesso spazio porta corrente maggiore. Hai già fatto un calcolo della corrente assorbita dalle luci anabbaglianti e l'hai confrontato con la corrente del relè?

                                                            Originalmente inviato da vincent Visualizza messaggio
                                                            Ragazzi...ho un problema con un rele' che alimenta i fari anabaglianti....
                                                            si surriscalda ed al cambio luci mi lascia al buio senza anabaglianti.....
                                                            premetto che l'impianto è completamente originale e nelle 3000 ore del trattore è la seconda volta che mi succede.....non è una grande spesa sostituire il rele', è più la seccatura trovarsi per strada e rimanere al buio in un cambio luci e dover trattenere gli abbaglianti.....
                                                            come soluzione pensavo di affiancare all'originale un secondo rele' in parallelo in maniera che il passaggio di corrente venisse suddiviso....che dite? può funzionare?
                                                            http://www.urbo.altervista.org

                                                            Commenta


                                                            • #90
                                                              Altrimenti il relè originale che ti eccita uno con "portata" maggiore a cui deleghi il carico.
                                                              Quoto urbo83 per il resto.

                                                              Commenta

                                                              Caricamento...
                                                              X