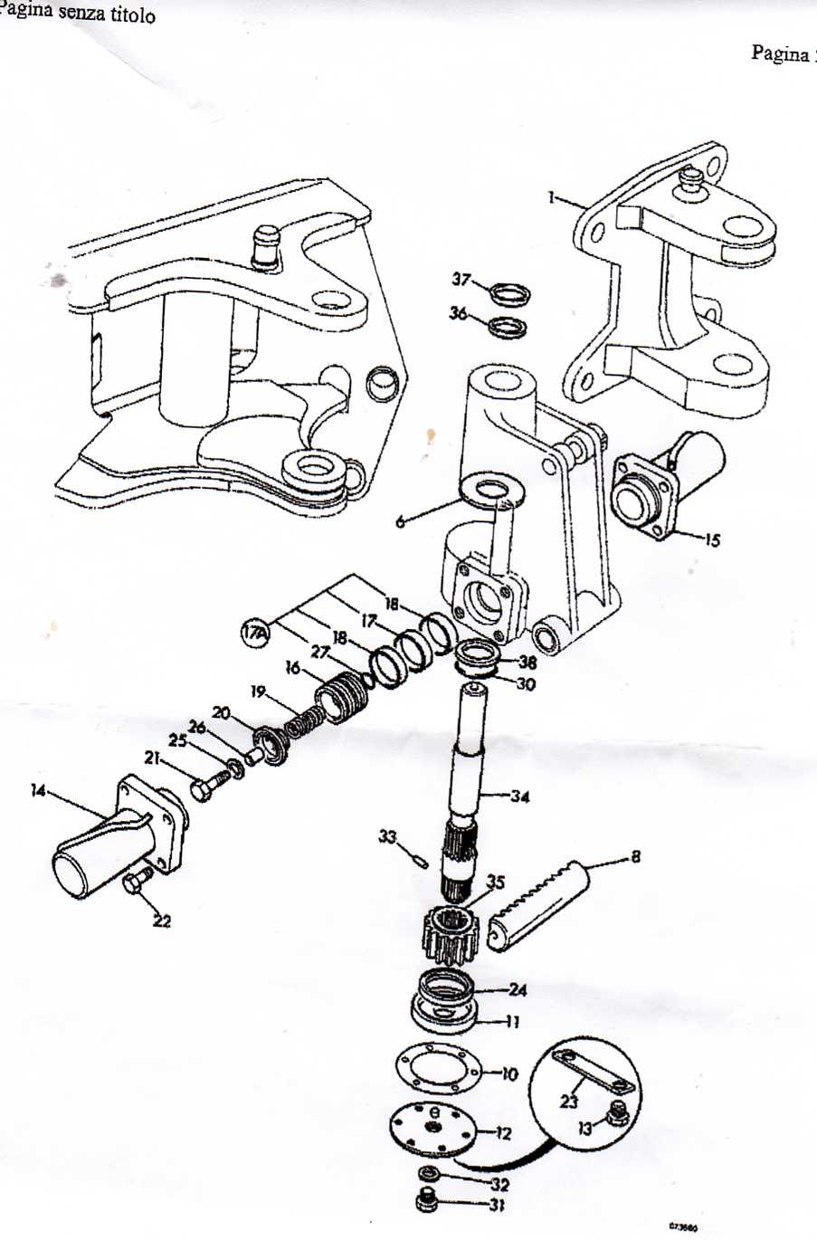
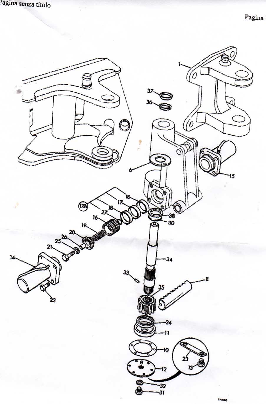
salve a tutti sono nuovo nel forum , ho comprato da poco una terna jcb 3cx con la scritta sul tetto 4x4, non ho idea di preciso di che anno sia, comunque resta il fatto che era molto trascurata dopo averla ripulita ,cambiato oli, e filtri .ora mi fa un rumore woo, woo,
che a parere mio e la pompa idraulica,devo comunque dire che come forza non ha problemi solo che questo rumore e fastidioso,chiedo agli esperti che cosa potrebbe essere?.Ringrazio tutti coloro che mi risponderanno
che a parere mio e la pompa idraulica,devo comunque dire che come forza non ha problemi solo che questo rumore e fastidioso,chiedo agli esperti che cosa potrebbe essere?.Ringrazio tutti coloro che mi risponderanno


Commenta